| 형식 | 예압 방식 | 축경 d | 리드 l | 볼경 Dw | 볼피치 원경 dm | 스크류축 곡경 dr | 유효권수 권수 × 서킷수 | 기본정정격하중(N) | 축방향강성 K (N/μm) | |
| 동정격 Ca | 정정격 Coa | |||||||||
| DFT 1604-2.5 | D | 16 | 4 | 2.381 | 16.3 | 13.8 | 2.5×1 | 4300 | 8530 | 263 |
| DFT 1604-3 | D | 16 | 4 | 2.381 | 16.3 | 13.8 | 1.5×2 | 5040 | 10300 | 315 |
| DFT 1605-2.5 | D | 16 | 5 | 3.175 | 16.5 | 13.2 | 2.5×1 | 7330 | 13500 | 311 |
| DFT 1605-3 | D | 16 | 5 | 3.175 | 16.5 | 13.2 | 1.5×2 | 8570 | 16200 | 370 |
| DFT 1605-5 | D | 16 | 5 | 3.175 | 16.5 | 13.2 | 2.5×2 | 13300 | 27000 | 603 |
| DFT 1606-2.5 | D | 16 | 6 | 3.175 | 16.5 | 13.2 | 2.5×1 | 7330 | 13500 | 311 |
| DFT 1606-3 | D | 16 | 6 | 3.175 | 16.5 | 13.2 | 1.5×2 | 8570 | 16200 | 370 |
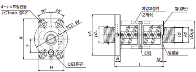
| 형식 | 너트전체 길이 L | 너트 외경 D | 플랜지 외경 A | 플랜지 축경 B | 직사각형 플랜지치수 | 볼트구멍치수 | 볼트구멍 PCD W | 급유구멍 거리 T | 급유구멍 Q | |||
| H | K | X | Y | X | ||||||||
| DFT 1604-2.5 | 70 | 36 | 57 | 11 | 36 | 50 | 5.5 | 9.5 | 5.5 | 45 | 17 | M6×1 |
| DFT 1604-3 | 85 | 36 | 57 | 11 | 36 | 50 | 5.5 | 9.5 | 5.5 | 45 | 17 | M6×1 |
| DFT 1605-2.5 | 77 | 40 | 63 | 11 | 40 | 55 | 5.5 | 9.5 | 5.5 | 51 | 20 | M6×1 |
| DFT 1605-3 | 97 | 40 | 63 | 11 | 40 | 55 | 5.5 | 9.5 | 5.5 | 51 | 20 | M6×1 |
| DFT 1605-5 | 107 | 40 | 63 | 11 | 40 | 55 | 5.5 | 9.5 | 5.5 | 51 | 20 | M6×1 |
| DFT 1606-2.5 | 86 | 40 | 63 | 11 | 40 | 55 | 5.5 | 9.5 | 5.5 | 51 | 20 | M6×1 |
| DFT 1606-3 | 110 | 40 | 63 | 11 | 40 | 55 | 5.5 | 9.5 | 5.5 | 51 | 20 | M6×1 |
| 형식 | 예압 방식 | 축경 d | 리드 l | 볼경 Dw | 볼피치 원경 dm | 스크류축 곡경 dr | 유효권수 권수 × 서킷수 | 기본정정격하중(N) | 축방향강성 K (N/μm) |
|
| 동정격 Ca | 정정격 Coa | |||||||||
| DFT 2004-2.5 | D | 20 | 4 | 2.381 | 20.3 | 17.8 | 2.5×1 | 4740 | 10700 | 315 |
| DFT 2004-5 | D | 20 | 4 | 2.381 | 20.3 | 17.8 | 2.5×2 | 8600 | 21500 | 608 |
| DFT 2005-2.5 | D | 20 | 5 | 3.175 | 20.5 | 17.2 | 2.5×1 | 8230 | 17100 | 376 |
| DFT 2005-3 | D | 20 | 5 | 3.175 | 20.5 | 17.2 | 1.5×2 | 9620 | 20600 | 446 |
| DFT 2005-5 | D | 20 | 5 | 3.175 | 20.5 | 17.2 | 2.5×2 | 14900 | 34300 | 726 |
| DFT 2006-2.5 | D | 20 | 6 | 3.969 | 20.5 | 16.4 | 2.5×1 | 11000 | 21100 | 384 |
| DFT 2006-3 | D | 20 | 6 | 3.969 | 20.5 | 16.4 | 1.5×2 | 12800 | 25300 | 456 |
| DFT 2008-2.5 | D | 20 | 8 | 3.969 | 20.5 | 16.4 | 2.5×1 | 11000 | 21100 | 384 |
| DFT 2008-3 | D | 20 | 8 | 3.969 | 20.5 | 16.4 | 1.5×2 | 12800 | 25300 | 456 |
| 형식 | 너트전체 길이 L | 너트 외경 D | 플랜지 외경 A | 플랜지 축경 B | 플렌지 면취 G | 씰치수 M | 볼트구멍치수 | 볼트구멍 PCD W | 급유구멍 Q | ||
| X | Y | X | |||||||||
| DFT 2004-2.5 | 69 | 40 | 63 | 11 | 24 | 3 | 5.5 | 9.5 | 5.5 | 51 | M6×1 |
| DFT 2004-5 | 93 | 40 | 63 | 11 | 24 | 3 | 5.5 | 9.5 | 5.5 | 51 | M6×1 |
| DFT 2005-2.5 | 76 | 44 | 67 | 11 | 26 | 3 | 5.5 | 9.5 | 5.5 | 55 | M6×1 |
| DFT 2005-3 | 97 | 44 | 67 | 11 | 26 | 3 | 5.5 | 9.5 | 5.5 | 55 | M6×1 |
| DFT 2005-5 | 106 | 44 | 67 | 11 | 26 | 3 | 5.5 | 9.5 | 5.5 | 55 | M6×1 |
| DFT 2006-2.5 | 86 | 48 | 71 | 11 | 27 | 3 | 5.5 | 9.5 | 5.5 | 59 | M6×1 |
| DFT 2006-3 | 110 | 48 | 71 | 11 | 27 | 3 | 5.5 | 9.5 | 5.5 | 59 | M6×1 |
| DFT 2008-2.5 | 102 | 48 | 75 | 13 | 28 | 5 | 6.6 | 11 | 6.5 | 61 | M6×1 |
| DFT 2008-3 | 64 | 48 | 75 | 13 | 28 | 5 | 6.6 | 11 | 6.5 | 61 | M6×1 |
비고
1. 플랜지 형상은 원형Ⅰ,원형Ⅱ가 있으므로 너트 설치부분의 여유공간에 맞게 선정하여 주십시오.
2. 시일이 없는 경우 너트의 길이가 씰 부착한 것에 비해 "M" 만큼 짧아집니다.
3. 우 나사가 표준사양입니다. 좌 나사인 경우는 형식의 말미에 "L"이 붙습니다.
4. 표에 표시된 강성치는 예압량을 동정격하중(Ca)의 10 %일 a) 스크류 홈과 볼 ) >
탄성변위로부터 구한 이론치 입니다
| 형식 | 예압 방식 |
축경 d |
리드 l |
볼경 Dw | 볼피치 원경 dm |
스크류축 곡경 dr |
유효권수 권수 × 서킷수 |
기본정정격하중(N) | 축방향강성 K (N/μm) |
|
| 동정격 Ca | 정정격 Coa | |||||||||
| DFT 2505-3 | D | 25 | 5 | 3.175 | 25.5 | 22.2 | 1.5×2 | 10700 | 25700 | 532 |
| DFT 2506-3 | D | 25 | 6 | 3.969 | 25.5 | 21.4 | 1.5×2 | 14400 | 32100 | 551 |
| DFT 2508-3 | D | 25 | 8 | 4.762 | 25.5 | 20.5 | 1.5×2 | 18500 | 38100 | 562 |
| DFT 2510-2.5 | D | 25 | 10 | 4.762 | 25.5 | 20.5 | 2.5×1 | 15800 | 32000 | 475 |
| DFT 2510-3 | D | 25 | 10 | 4.762 | 25.5 | 20.5 | 1.5×2 | 18500 | 38100 | 562 |
| DFT 2510-3.5 | D | 25 | 10 | 4.762 | 25.5 | 20.5 | 3.5×1 | 21100 | 44200 | 649 |
| DFT 2806-3 | D | 28 | 6 | 3.175 | 28.5 | 25.2 | 1.5×2 | 11200 | 29300 | 590 |
| DFT 2810-2.5 | D | 28 | 10 | 4.762 | 28.5 | 23.5 | 2.5×1 | 16700 | 36100 | 522 |
| DFT 2810-3 | D | 28 | 10 | 4.762 | 28.5 | 23.5 | 2.5×1 | 19500 | 43000 | 618 |
| 형식 | 너트전체 길이 L | 너트 외경 D | 플랜지 외경 A | 플랜지 축경 B | 플렌지 면취 G | 씰치수 M | 볼트구멍치수 | 볼트구멍 W | 급유구멍 Q |
||
| X | Y | X | |||||||||
| DFT 2505-3 | 102 | 50 | 73 | 11 | 28 | 3 | 5.5 | 9.5 | 5.5 | 61 | M6×1 |
| DFT 2506-3 | 110 | 53 | 76 | 11 | 29 | 3 | 5.5 | 9.5 | 5.5 | 64 | M6×1 |
| DFT 2508-3 | 133 | 58 | 85 | 13 | 32 | 5 | 6.6 | 11 | 6.5 | 71 | M6×1 |
| DFT 2510-2.5 | 127 | 58 | 85 | 15 | 32 | 8 | 6.6 | 11 | 6.5 | 71 | M6×1 |
| DFT 2510-3 | 151 | 58 | 85 | 15 | 32 | 8 | 6.6 | 11 | 6.5 | 71 | M6×1 |
| DFT 2510-3.5 | 147 | 58 | 85 | 15 | 32 | 8 | 6.6 | 11 | 6.5 | 71 | M6×1 |
| DFT 2806-3 | 11 | 55 | 85 | 12 | 31 | 3 | 6.6 | 11 | 6.5 | 69 | M6×1 |
| DFT 2810-2.5 | 128 | 60 | 94 | 15 | 36 | 7 | 9 | 14 | 8.5 | 76 | M6×1 |
| DFT 2810-3 | 152 | 60 | 94 | 15 | 36 | 7 | 9 | 14 | 8.5 | 76 | M6×1 |
비고
1. 플랜지 형상은 원형Ⅰ,원형Ⅱ가 있으므로 너트 설치부분의 여유공간에 맞게 선정하여 주십시오.
V2. 시일이 없는 경우 너트의 길이가 씰 부착한 것에 비해 "M" 만큼 짧아집니다.
3. 우 나사가 표준사양입니다. 좌 나사인 경우는 형식의 말미에 "L"이 붙습니다.
4. 표에 표시된 강성치는 예압량을 동정격하중(Ca)의 10 %일 a) 스크류 홈과 볼 )
탄성변위로부터 구한 이론치 입니다
| 형식 | 예압 방식 | 축경 d | 리드 l | 볼경 Dw | 볼피치 원경 dm | 스크류축 곡경 dr | 유효권수 권수 × 서킷수 | 기본정정격하중(N) | 축방향강성 K (N/μm) |
|
| 동정격 Ca | 정정격 Coa | |||||||||
| DFT 3205-3 | D | 32 | 5 | 3.175 | 32.5 | 29.2 | 1.5×2 | 11900 | 33600 | 655 |
| DFT 3205-7.5 | D | 32 | 5 | 3.175 | 32.5 | 29.2 | 2.5×3 | 26200 | 84100 | 1572 |
| DFT 3206-3 | D | 32 | 6 | 3.969 | 32.5 | 28.4 | 1.5×2 | 15900 | 41200 | 666 |
| DFT 3208-5 | D | 32 | 8 | 4.762 | 32.5 | 27.5 | 2.5×2 | 31700 | 82000 | 1110 |
| DFT 3210-3 | D | 32 | 10 | 6.35 | 33.0 | 26.4 | 1.5×2 | 29900 | 64800 | 707 |
| DFT 3210-3.5 | D | 32 | 10 | 6.35 | 33.0 | 26.4 | 3.5×1 | 34100 | 77000 | 829 |
| DFT 3210-5 | D | 32 | 10 | 6.35 | 33.0 | 26.4 | 2.5×2 | 46300 | 108000 | 1150 |
| DFT 3212-2.5 | D | 32 | 12 | 6.35 | 33.0 | 26.4 | 2.5×1 | 25500 | 54000 | 603 |
| DFT 3212-3 | D | 32 | 12 | 6.35 | 33.0 | 26.4 | 1.5×2 | 29900 | 64800 | 707 |
| DFT 3605-7.5 | D | 36 | 5 | 3.175 | 36.5 | 33.2 | 2.5×3 | 27500 | 95000 | 1730 |
| DFT 3606-7.5 | D | 36 | 6 | 3.969 | 36.5 | 32.4 | 2.5×3 | 37600 | 118000 | 1780 |
| DFT 3610-3 | D | 36 | 10 | 6.35 | 37.0 | 30.4 | 1.5×2 | 31800 | 73500 | 781 |
| DFT 3610-5 | D | 36 | 10 | 6.35 | 37.0 | 30.4 | 2.5×2 | 49300 | 123000 | 1270 |
| 형식 | 너트전체 길이 L | 너트 외경 D | 플랜지 외경 A | 플랜지 축경 B | 플렌지 면취 G | 씰치수 M | 볼트구멍치수 | 볼트구멍 W | 급유구멍 Q |
||
| X | Y | X | |||||||||
| DFT 3205-3 | 103 | 58 | 85 | 12 | 32 | 3 | 6.6 | 11 | 6.5 | 71 | M6×1 |
| DFT 3205-7.5 | 136 | 58 | 85 | 12 | 32 | 3 | 6.6 | 11 | 6.5 | 71 | M6×1 |
| DFT 3206-3 | 111 | 62 | 89 | 12 | 34 | 3 | 6.6 | 11 | 6.5 | 75 | M6×1 |
| DFT 3208-5 | 154 | 66 | 100 | 15 | 38 | 5 | 9 | 14 | 8.5 | 82 | M6×1 |
| DFT 3210-3 | 167 | 74 | 108 | 15 | 41 | 7 | 9 | 14 | 8.5 | 90 | M6×1 |
| DFT 3210-3.5 | 150 | 74 | 108 | 15 | 41 | 7 | 9 | 14 | 8.5 | 90 | M6×1 |
| DFT 3210-5 | 190 | 74 | 108 | 15 | 41 | 7 | 9 | 14 | 8.5 | 90 | M6×1 |
| DFT 3212-2.5 | 153 | 74 | 108 | 18 | 41 | 9 | 9 | 14 | 8.5 | 90 | M6×1 |
| DFT 3212-3 | 181 | 74 | 108 | 18 | 41 | 9 | 9 | 14 | 8.5 | 90 | M6×1 |
| DFT 3605-7.5 | 139 | 65 | 100 | 15 | 38 | 3 | 9 | 14 | 8.5 | 82 | M6×1 |
| DFT 3606-7.5 | 162 | 65 | 100 | 15 | 38 | 3 | 9 | 14 | 8.5 | 82 | M6×1 |
| DFT 3610-3 | 170 | 75 | 120 | 18 | 45 | 7 | 11 | 17.5 | 11 | 98 | M6×1 |
| DFT 3610-5 | 193 | 75 | 120 | 18 | 45 | 7 | 11 | 17.5 | 11 | 98 | M6×1 |
| 형식 | 예압 방식 | 축경 d | 리드 l | 볼경 Dw | 볼피치 원경 dm | 스크류축 곡경 dr | 유효권수 권수 × 서킷수 | 기본정정격하중(N) | 축방향강성 K (N/μm) |
|
| 동정격 Ca | 정정격 Coa | |||||||||
| DFT 4005-3 | D | 40 | 5 | 3.175 | 40.5 | 37.2 | 1.5×2 | 13000 | 42400 | 785 |
| DFT 4005-7.5 | D | 40 | 5 | 3.175 | 40.5 | 37.2 | 2.5×3 | 28700 | 106000 | 1870 |
| DFT 4006-3 | D | 40 | 6 | 3.969 | 40.5 | 36.4 | 1.5×2 | 17800 | 52600 | 807 |
| DFT 4006-7.5 | D | 40 | 6 | 3.969 | 40.5 | 36.4 | 2.5×3 | 39100 | 131000 | 1940 |
| DFT 4008-3 | D | 40 | 8 | 4.762 | 40.5 | 35.5 | 1.5×2 | 22500 | 62600 | 822 |
| DFT 4010-5 | D | 40 | 10 | 6.35 | 41 | 34.4 | 2.5×2 | 52000 | 137000 | 1390 |
| DFT 4012-5 | D | 40 | 12 | 7.144 | 41.5 | 34.1 | 2.5×2 | 61000 | 155000 | 1420 |
| DFT 4016-2.5 | D | 40 | 16 | 7.144 | 41.5 | 34.1 | 2.5×1 | 33600 | 77500 | 733 |
| DFT 4016-3 | D | 40 | 16 | 7.144 | 41.5 | 34.1 | 1.5×2 | 39300 | 93100 | 872 |
| DFT 4510-5 | D | 45 | 10 | 6.35 | 46.0 | 39.4 | 2.5×2 | 54200 | 155000 | 1520 |
| DFT 4510-7.5 | D | 45 | 10 | 6.35 | 46.0 | 39.4 | 2.5×3 | 76800 | 232000 | 2230 |
| DFT 4512-5 | D | 45 | 12 | 7.144 | 46.5 | 39.1 | 2.5×2 | 64200 | 177000 | 1570 |
| 형식 | 너트전체 길이 L | 너트 외경 D | 플랜지 외경 A | 플랜지 축경 B | 플렌지 면취 G | 씰치수 M | 볼트구멍치수 | 볼트구멍 W | 급유구멍 Q |
||
| X | Y | X | |||||||||
| DFT 4005-3 | 106 | 67 | 101 | 15 | 39 | 3 | 9 | 14 | 8.5 | 83 | Rc1/8 |
| DFT 4005-7.5 | 139 | 67 | 101 | 15 | 39 | 3 | 9 | 14 | 8.5 | 83 | Rc1/8 |
| DFT 4006-3 | 114 | 70 | 104 | 15 | 40 | 3 | 9 | 14 | 8.5 | 86 | Rc1/8 |
| DFT 4006-7.5 | 162 | 70 | 104 | 15 | 40 | 3 | 9 | 14 | 8.5 | 86 | Rc1/8 |
| DFT 4008-3 | 135 | 74 | 108 | 15 | 41 | 5 | 9 | 14 | 8.5 | 90 | Rc1/8 |
| DFT 4010-5 | 193 | 82 | 124 | 18 | 47 | 7 | 11 | 17.5 | 11 | 102 | Rc1/8 |
| DFT 4012-5 | 225 | 86 | 128 | 18 | 48 | 9 | 11 | 17.5 | 11 | 106 | Rc1/8 |
| DFT 4016-2.5 | 182 | 86 | 128 | 22 | 48 | 14 | 11 | 17.5 | 11 | 106 | Rc1/8 |
| DFT 4016-3 | 214 | 86 | 128 | 22 | 48 | 14 | 11 | 17.5 | 11 | 106 | Rc1/8 |
| DFT 4510-5 | 193 | 88 | 132 | 18 | 50 | 7 | 11 | 17.5 | 11 | 110 | Rc1/8 |
| DFT 4510-7.5 | 253 | 88 | 132 | 18 | 50 | 7 | 11 | 17.5 | 11 | 110 | Rc1/8 |
| DFT 4512-5 | 227 | 90 | 132 | 18 | 50 | 8 | 11 | 17.5 | 11 | 110 | Rc1/8 |
| 형식 | 예압 방식 | 축경 d | 리드 l | 볼경 Dw | 볼피치 원경 dm | 스크류축 곡경 dr | 유효권수 권수 × 서킷수 | 기본정정격하중(N) | 축방향강성 K (N/μm) |
|
| 동정격 Ca | 정정격 Coa | |||||||||
| DFT 5006-3 | D | 50 | 6 | 3.969 | 50.5 | 46.4 | 1.5×2 | 19500 | 65100 | 956 |
| DFT 5006-7.5 | D | 50 | 6 | 3.969 | 50.5 | 46.4 | 2.5×3 | 42900 | 164000 | 2300 |
| DFT 5008-3 | D | 50 | 8 | 4.762 | 50.5 | 45.5 | 1.5×2 | 25000 | 77400 | 975 |
| DFT 5008-7.5 | D | 50 | 8 | 4.762 | 50.5 | 45.5 | 2.5×3 | 54900 | 197000 | 2350 |
| DFT 5010-3 | D | 50 | 10 | 6.35 | 51.0 | 44.4 | 1.5×2 | 37200 | 103000 | 1010 |
| DFT 5010-7.5 | D | 50 | 10 | 6.35 | 51.0 | 44.4 | 2.5×3 | 81800 | 262000 | 2460 |
| DFT 5012-5 | D | 50 | 12 | 7.938 | 51.5 | 43.2 | 2.5×2 | 77600 | 214000 | 1710 |
| DFT 5016-5 | D | 50 | 16 | 7.938 | 51.5 | 43.2 | 2.5×2 | 77600 | 214000 | 1710 |
| DFT 5020-2.5 | D | 50 | 20 | 7.938 | 51.5 | 43.2 | 2.5×1 | 42800 | 107000 | 883 |
| DFT 5020-3 | D | 50 | 20 | 7.938 | 51.5 | 43.2 | 1.5×2 | 50000 | 129000 | 1050 |
| 형식 | 너트전체 길이 L | 너트 외경 D | 플랜지 외경 A | 플랜지 축경 B | 플렌지 면취 G | 씰치수 M | 볼트구멍치수 | 볼트구멍 W | 급유구멍 Q | ||
| X | Y | X | |||||||||
| DFT 5006-3 | 116 | 84 | 118 | 15 | 45 | 3 | 9 | 14 | 8.5 | 100 | Rc1/8 |
| DFT 5006-7.5 | 164 | 84 | 118 | 15 | 45 | 3 | 9 | 14 | 8.5 | 100 | Rc1/8 |
| DFT 5008-3 | 138 | 87 | 129 | 18 | 49 | 5 | 11 | 17.5 | 11 | 107 | Rc1/8 |
| DFT 5008-7.5 | 205 | 87 | 129 | 18 | 49 | 5 | 11 | 17.5 | 11 | 107 | Rc1/8 |
| DFT 5010-3 | 170 | 93 | 135 | 18 | 51 | 7 | 11 | 17.5 | 11 | 113 | Rc1/8 |
| DFT 5010-7.5 | 253 | 93 | 135 | 18 | 51 | 7 | 11 | 17.5 | 11 | 113 | Rc1/8 |
| DFT 5012-5 | 231 | 100 | 146 | 22 | 55 | 8 | 14 | 20 | 13 | 122 | Rc1/8 |
| DFT 5016-5 | 280 | 100 | 146 | 22 | 55 | 14 | 14 | 20 | 13 | 122 | Rc1/8 |
| DFT 5020-2.5 | 227 | 100 | 146 | 28 | 55 | 17 | 14 | 20 | 13 | 122 | Rc1/8 |
| DFT 5020-3 | 267 | 100 | 146 | 28 | 55 | 17 | 14 | 20 | 13 | 122 | Rc1/8 |
비고
1. 플랜지 형상은 원형Ⅰ,원형Ⅱ가 있으므로 너트 설치부분의 여유공간에 맞게 선정하여 주십시오.
2. 시일이 없는 경우 너트의 길이가 씰 부착한 것에 비해 "M" 만큼 짧아집니다.
3. 우 나사가 표준사양입니다. 좌 나사인 경우는 형식의 말미에 "L"이 붙습니다.
4. 표에 표시된 강성치는 예압량을 동정격하중(Ca)의 10 %일 a) 스크류 홈과 볼 ) >
탄성변위로부터 구한 이론치 입니다
| 형식 | 예압 방식 | 축경 d | 리드 l | 볼경 Dw | 볼피치 원경 dm | 스크류축 곡경 dr | 유효권수 권수 × 서킷수 | 기본정정격하중(N) | 축방향강성 K (N/μm) |
|
| 동정격 Ca | 정정격 Coa | |||||||||
| DFT 5510-5 | D | 55 | 10 | 6.35 | 56.0 | 49.4 | 2.5×2 | 59500 | 192000 | 1800 |
| DFT 5510-7.5 | D | 55 | 10 | 6.35 | 56.0 | 49.4 | 2.5×3 | 84300 | 288000 | 2650 |
| DFT 6310-7.5 | D | 63 | 10 | 6.35 | 64.0 | 57.4 | 2.5×3 | 89500 | 332000 | 2950 |
| DFT 6312-5 | D | 63 | 12 | 7.938 | 64.5 | 56.2 | 2.5×2 | 86000 | 273000 | 2060 |
| DFT 6316-2.5 | D | 63 | 16 | 9.525 | 65.0 | 55.2 | 2.5×1 | 79500 | 228000 | 1400 |
| DFT 6316-5 | D | 63 | 16 | 9.525 | 65.0 | 55.2 | 2.5×2 | 144000 | 455000 | 2710 |
| DFT 6320-2.5 | D | 63 | 20 | 9.525 | 65.0 | 55.2 | 2.5×1 | 79500 | 228000 | 1400 |
| DFT 6320-5 | D | 63 | 20 | 9.525 | 65.0 | 55.2 | 2.5×2 | 144000 | 455000 | 2710 |
| 너트전체 길이 L | 너트 외경 D | 플랜지 외경 A | 플랜지 축경 B | 플렌지 면취 G | 씰치수 M | 볼트구멍치수 | 볼트구멍 W | 급유구멍 Q |
|||
| X | Y | X | |||||||||
| DFT 5510-5 | 193 | 102 | 144 | 18 | 54 | 7 | 11 | 17.5 | 11 | 122 | Rc1/8 |
| DFT 5510-7.5 | 253 | 102 | 144 | 18 | 54 | 7 | 11 | 17.5 | 11 | 122 | Rc1/8 |
| DFT 6310-7.5 | 257 | 108 | 154 | 22 | 58 | 7 | 14 | 20 | 13 | 130 | Rc1/8 |
| DFT 6312-5 | 231 | 115 | 161 | 22 | 61 | 8 | 14 | 20 | 13 | 137 | Rc1/8 |
| DFT 6316-2.5 | 206 | 122 | 180 | 28 | 69 | 10 | 18 | 26 | 17.5 | 150 | Rc1/8 |
| DFT 6316-5 | 302 | 122 | 180 | 28 | 69 | 10 | 18 | 26 | 17.5 | 150 | Rc1/8 |
| DFT 6320-2.5 | 227 | 122 | 180 | 28 | 69 | 17 | 18 | 26 | 17.5 | 150 | Rc1/8 |
| DFT 6320-5 | 347 | 122 | 180 | 28 | 69 | 17 | 18 | 26 | 17.5 | 150 | Rc1/8 |
비고
1. 플랜지 형상은 원형Ⅰ,원형Ⅱ가 있으므로 너트 설치부분의 여유공간에 맞게 선정하여 주십시오.
2. 시일이 없는 경우 너트의 길이가 씰 부착한 것에 비해 "M" 만큼 짧아집니다.
3. 우 나사가 표준사양입니다. 좌 나사인 경우는 형식의 말미에 "L"이 붙습니다.
4. 표에 표시된 강성치는 예압량을 동정격하중(Ca)의 10 %일 a) 스크류 홈과 볼 ) >
탄성변위로부터 구한 이론치 입니다
| 형식 | 예압 방식 | 축경 d | 리드 l | 볼경 Dw | 볼피치 원경 dm | 스크류축 곡경 dr | 유효권수 권수 × 서킷수 | 기본정정격하중(N) | 축방향강성 K (N/μm) |
|
| 동정격 Ca | 정정격 Coa | |||||||||
| DFT 8010-5 | D | 80 | 10 | 6.35 | 81.0 | 74.4 | 2.5×2 | 70500 | 282000 | 2430 |
| DFT 8010-7.5 | D | 80 | 10 | 6.35 | 81.0 | 74.4 | 2.5×3 | 99800 | 424000 | 3590 |
| DFT 8012-5 | D | 80 | 12 | 7.938 | 81.5 | 73.2 | 2.5×2 | 96000 | 350000 | 2500 |
| DFT 8012-7.5 | D | 80 | 12 | 7.938 | 81.5 | 73.2 | 2.5×3 | 136000 | 526000 | 3690 |
| DFT 8016-5 | D | 80 | 16 | 9.525 | 82.0 | 72.2 | 2.5×2 | 162000 | 582000 | 3300 |
| DFT 8016-7.5 | D | 80 | 16 | 9.525 | 82.0 | 72.2 | 2.5×3 | 230000 | 874000 | 4850 |
| DFT 8020-5 | D | 80 | 20 | 9.525 | 82.0 | 72.2 | 2.5×2 | 162000 | 582000 | 3300 |
| DFT 8020-7.5 | D | 80 | 20 | 9.525 | 82.0 | 72.2 | 2.5×3 | 230000 | 874000 | 4850 |
| 형식 | 너트전체 길이 L | 너트 외경 D | 플랜지 외경 A | 플랜지 축경 B | 플렌지 면취 G | 씰치수 M | 볼트구멍치수 | 볼트구멍 W | 급유구멍 Q | ||
| X | Y | X | |||||||||
| DFT 8010-5 | 197 | 130 | 176 | 22 | 66 | 7 | 14 | 20 | 13 | 152 | Rc1/8 |
| DFT 8010-7.5 | 257 | 130 | 176 | 22 | 66 | 7 | 14 | 20 | 13 | 152 | Rc1/8 |
| DFT 8012-5 | 231 | 136 | 182 | 22 | 68 | 8 | 14 | 20 | 13 | 158 | Rc1/8 |
| DFT 8012-7.5 | 303 | 136 | 182 | 22 | 68 | 8 | 14 | 20 | 13 | 158 | Rc1/8 |
| DFT 8016-5 | 302 | 143 | 204 | 28 | 77 | 10 | 18 | 26 | 17.5 | 172 | Rc1/8 |
| DFT 8016-7.5 | 398 | 143 | 204 | 28 | 77 | 10 | 18 | 26 | 17.5 | 172 | Rc1/8 |
| DFT 8020-5 | 347 | 143 | 204 | 28 | 77 | 17 | 18 | 26 | 17.5 | 172 | Rc1/8 |
| DFT 8020-7.5 | 467 | 143 | 204 | 28 | 77 | 17 | 18 | 26 | 17.5 | 172 | Rc1/8 |
비고
1. 플랜지 형상은 원형Ⅰ,원형Ⅱ가 있으므로 너트 설치부분의 여유공간에 맞게 선정하여 주십시오.
2. 시일이 없는 경우 너트의 길이가 씰 부착한 것에 비해 "M" 만큼 짧아집니다.
3. 우 나사가 표준사양입니다. 좌 나사인 경우는 형식의 말미에 "L"이 붙습니다.
표에 표시된 강성치는 예압량을 동정격하중(Ca)의 10 %일 a) 스크류 홈과 볼 ) >
탄성변위로부터 구한 이론치 입니다
| 형식 | 예압 방식 | 축경 d | 리드 l | 볼경 Dw | 볼피치 원경 dm | 스크류축 곡경 dr | 유효권수 권수 × 서킷수 | 기본정정격하중(N) | 축방향강성 K (N/μm) |
|
| 동정격 Ca | 정정격 Coa | |||||||||
| DFT 10012-5 | D | 100 | 12 | 7.938 | 101.5 | 93.2 | 2.5×2 | 105000 | 441000 | 2990 |
| DFT 10012-7.5 | D | 100 | 12 | 7.938 | 101.5 | 93.2 | 2.5×3 | 149000 | 662000 | 4400 |
| DFT 10016-5 | D | 100 | 16 | 9.525 | 102 | 92.2 | 2.5×2 | 176000 | 737000 | 3930 |
| DFT 10016-7.5 | D | 100 | 16 | 9.525 | 102 | 92.2 | 2.5×3 | 250000 | 1100000 | 5790 |
| DFT 10020-5 | D | 100 | 20 | 9.525 | 102 | 92.2 | 2.5×2 | 176000 | 737000 | 3930 |
| DFT 10020-7.5 | D | 100 | 20 | 9.525 | 102 | 92.2 | 2.5×3 | 250000 | 1100000 | 5780 |
| DFT 12516-5 | D | 125 | 16 | 9.525 | 127 | 117.2 | 2.5×2 | 195000 | 918000 | 4690 |
| DFT 12516-7.5 | D | 125 | 16 | 9.525 | 127 | 117.2 | 2.5×3 | 277000 | 1380000 | 6890 |
| DFT 12520-5 | D | 125 | 20 | 9.525 | 127 | 117.2 | 2.5×2 | 195000 | 918000 | 4690 |
| DFT 12520-7.5 | D | 125 | 20 | 9.525 | 127 | 117.2 | 2.5×3 | 277000 | 1380000 | 6890 |
| 형식 | 너트전체 길이 L | 너트 외경 D | 플랜지 외경 A | 플랜지 축경 B | 플렌지 면취 G | 씰치수 M | 볼트구멍치수 | 볼트구멍 W | 급유구멍 Q |
||
| X | Y | X | |||||||||
| DFT 10012-5 | 237 | 160 | 220 | 28 | 82 | 8 | 18 | 26 | 17.5 | 188 | Rc1/8 |
| DFT 10012-7.5 | 309 | 160 | 220 | 28 | 82 | 8 | 18 | 26 | 17.5 | 188 | Rc1/8 |
| DFT 10016-5 | 306 | 170 | 243 | 32 | 91 | 10 | 22 | 32 | 21.5 | 205 | Rc1/8 |
| DFT 10016-7.5 | 402 | 170 | 243 | 32 | 91 | 10 | 22 | 32 | 21.5 | 205 | Rc1/8 |
| DFT 10020-5 | 351 | 170 | 243 | 32 | 91 | 17 | 22 | 32 | 21.5 | 205 | Rc1/8 |
| DFT 10020-7.5 | 471 | 170 | 243 | 32 | 91 | 17 | 22 | 32 | 21.5 | 205 | Rc1/8 |
| DFT 12516-5 | 314 | 200 | 290 | 36 | 109 | 10 | 26 | 39 | 25.5 | 243 | Rc1/8 |
| DFT 12516-7.5 | 410 | 200 | 290 | 36 | 109 | 10 | 26 | 39 | 25.5 | 243 | Rc1/8 |
| DFT 12520-5 | 379 | 200 | 290 | 36 | 109 | 12 | 26 | 39 | 25.5 | 243 | Rc1/8 |
| DFT 12520-7.5 | 499 | 200 | 290 | 36 | 109 | 12 | 26 | 39 | 25.5 | 243 | Rc1/8 |
비고
1. 플랜지 형상은 원형Ⅰ,원형Ⅱ가 있으므로 너트 설치부분의 여유공간에 맞게 선정하여 주십시오.
2. 시일이 없는 경우 너트의 길이가 씰 부착한 것에 비해 "M" 만큼 짧아집니다.
3. 우 나사가 표준사양입니다. 좌 나사인 경우는 형식의 말미에 "L"이 붙습니다.
4. 표에 표시된 강성치는 예압량을 동정격하중(Ca)의 10 %일 a) 스크류 홈과 볼 )
탄성변위로부터 구한 이론치 입니다