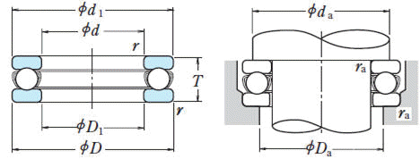
Maker : FAG
| d (내경) | D | T | r min | Basic Load Ratings (kN) | Limiting Speeds (rpm) | 호칭번호 | d1 | D1 | da min | Da max | ra max | 중량 (kg) | ||
| Ca | Coa | Grease | Oil | |||||||||||
| 10 | 24 | 9 | 0.3 | 10.1 | 14.0 | 6700 | 10000 | 51100 | 24 | 11 | 18 | 16 | 0.3 | 0.019 |
| 26 | 11 | 0.6 | 12.8 | 17.1 | 6000 | 9000 | 51200 | 26 | 12 | 20 | 16 | 0.6 | 0.028 | |
| 12 | 26 | 9 | 0.3 | 10.4 | 15.4 | 6700 | 10000 | 51101 | 26 | 13 | 20 | 18 | 0.3 | 0.021 |
| 28 | 11 | 0.6 | 13.3 | 19.0 | 5600 | 8500 | 51201 | 28 | 14 | 22 | 18 | 0.6 | 0.031 | |
| 15 | 28 | 9 | 0.3 | 10.6 | 16.8 | 6300 | 9500 | 51102 | 28 | 16 | 23 | 20 | 0.3 | 0.023 |
| 32 | 12 | 0.6 | 16.7 | 24.8 | 5000 | 7500 | 51202 | 32 | 17 | 25 | 22 | 0.6 | 0.043 | |
| 17 | 30 | 9 | 0.3 | 11.4 | 19.5 | 6000 | 9000 | 51103 | 30 | 18 | 25 | 22 | 0.3 | 0.025 |
| 35 | 12 | 0.6 | 17.3 | 27.3 | 4800 | 7500 | 51203 | 35 | 19 | 28 | 24 | 0.6 | 0.050 | |
| 20 | 35 | 10 | 0.3 | 15.1 | 26.6 | 5300 | 8000 | 51104 | 35 | 21 | 29 | 26 | 0.3 | 0.037 |
| 40 | 14 | 0.6 | 22.5 | 37.5 | 4300 | 6300 | 51204 | 40 | 22 | 32 | 28 | 0.6 | 0.077 | |
| 25 | 42 | 11 | 0.6 | 19.7 | 37.0 | 4800 | 7100 | 51105 | 42 | 26 | 35 | 32 | 0.6 | 0.056 |
| 47 | 15 | 0.6 | 28.0 | 50.5 | 3800 | 5600 | 51205 | 47 | 27 | 38 | 34 | 0.6 | 0.111 | |
| 52 | 18 | 1 | 36.0 | 61.5 | 3200 | 5000 | 51305 | 52 | 27 | 41 | 36 | 1 | 0.169 | |
| 60 | 24 | 1 | 56.0 | 89.5 | 2600 | 4000 | 51405 | 60 | 27 | 46 | 39 | 1 | 0.334 | |
| 30 | 47 | 11 | 0.6 | 20.6 | 42.0 | 4300 | 6700 | 51106 | 47 | 32 | 40 | 37 | 0.6 | 0.064 |
| 52 | 16 | 0.6 | 29.5 | 58.0 | 3400 | 5300 | 51206 | 52 | 32 | 43 | 39 | 0.6 | 0.137 | |
| 60 | 21 | 1 | 43.0 | 78.5 | 2800 | 4300 | 51306 | 60 | 32 | 48 | 42 | 1 | 0.267 | |
| 70 | 28 | 1 | 73.0 | 126.0 | 2200 | 3400 | 51406 | 70 | 32 | 54 | 46 | 1 | 0.519 | |
| 35 | 52 | 12 | 0.6 | 22.1 | 49.5 | 4000 | 6000 | 51107 | 52 | 37 | 45 | 42 | 0.6 | 0.081 |
| 62 | 18 | 1 | 39.5 | 78.0 | 3000 | 4500 | 51207 | 62 | 37 | 51 | 46 | 1 | 0.21 | |
| 68 | 24 | 1 | 56.0 | 105.0 | 2400 | 3800 | 51307 | 68 | 37 | 55 | 48 | 1 | 0.386 | |
| 80 | 32 | 1.1 | 87.5 | 155.0 | 2000 | 3000 | 51407 | 80 | 37 | 62 | 53 | 1 | 0.769 | |
| d (내경) | D | T | r min | Basic Load Ratings (kN) | Limiting Speeds (rpm) | 호칭번호 | d1 | D1 | da min | Da max | ra max | 중량 (kg) | ||
| Ca | Coa | Grease | Oil | |||||||||||
| 40 | 60 | 13 | 0.6 | 27.1 | 63.0 | 3600 | 5300 | 51108 | 60 | 42 | 52 | 48 | 0.6 | 0.12 |
| 68 | 19 | 1 | 47.5 | 98.5 | 2800 | 4300 | 51208 | 68 | 42 | 57 | 51 | 1 | 0.27 | |
| 78 | 26 | 1 | 70.0 | 135.0 | 2200 | 3400 | 51308 | 78 | 42 | 63 | 55 | 1 | 0.536 | |
| 90 | 36 | 1.1 | 103.0 | 188.0 | 1700 | 2600 | 51408 | 90 | 42 | 70 | 60 | 1 | 1.1 | |
| 45 | 65 | 14 | 0.6 | 28.1 | 69.0 | 3400 | 5000 | 51109 | 65 | 47 | 57 | 53 | 0.6 | 0.143 |
| 73 | 20 | 1 | 48.0 | 105.0 | 2600 | 4000 | 51209 | 73 | 47 | 62 | 56 | 1 | 0.31 | |
| 85 | 28 | 1 | 80.5 | 163.0 | 2000 | 3000 | 51309 | 85 | 47 | 69 | 61 | 1 | 0.672 | |
| 100 | 39 | 1.1 | 128.0 | 246.0 | 1600 | 2400 | 51409 | 100 | 47 | 78 | 67 | 1 | 1.46 | |
| 50 | 70 | 14 | 0.6 | 29.0 | 75.5 | 3200 | 4800 | 51110 | 70 | 52 | 62 | 58 | 0.6 | 0.153 |
| 78 | 22 | 1 | 49.0 | 111.0 | 2400 | 3600 | 51210 | 78 | 52 | 67 | 61 | 1 | 0.378 | |
| 95 | 31 | 1.1 | 97.5 | 202.0 | 1800 | 2800 | 51310 | 95 | 52 | 77 | 68 | 1 | 0.931 | |
| 110 | 43 | 1.5 | 147.0 | 288.0 | 1400 | 2200 | 51410 | 110 | 52 | 86 | 74 | 1.5 | 1.94 | |
| 55 | 78 | 16 | 0.6 | 35.0 | 93.0 | 2800 | 4300 | 51111 | 78 | 57 | 69 | 64 | 0.6 | 0.227 |
| 90 | 25 | 1 | 70.0 | 159.0 | 2200 | 3200 | 51211 | 90 | 57 | 76 | 69 | 1 | 0.599 | |
| 105 | 35 | 1.1 | 115.0 | 244.0 | 1600 | 2400 | 51311 | 105 | 57 | 85 | 75 | 1 | 1.31 | |
| 120 | 48 | 1.5 | 181.0 | 350.0 | 1300 | 1900 | 51411 | 120 | 57 | 94 | 81 | 1.5 | 2.58 | |
| 60 | 85 | 17 | 1 | 41.5 | 113.0 | 2600 | 4000 | 51112 | 85 | 62 | 75 | 70 | 1 | 0.281 |
| 95 | 26 | 1 | 71.5 | 169.0 | 2000 | 3000 | 51212 | 95 | 62 | 81 | 74 | 1 | 0.673 | |
| 110 | 35 | 1.1 | 119.0 | 263.0 | 1600 | 2400 | 51312 | 110 | 62 | 90 | 80 | 1 | 1.4 | |
| 130 | 51 | 1.5 | 202.0 | 395.0 | 1200 | 1800 | 51412FP | 130 | 62 | 102 | 88 | 1.5 | 3.16 | |
| 65 | 90 | 18 | 1 | 42.0 | 117.0 | 2400 | 3800 | 51113 | 90 | 67 | 80 | 75 | 1 | 0.324 |
| 100 | 27 | 1 | 75.5 | 189.0 | 1900 | 2800 | 51213 | 100 | 67 | 86 | 79 | 1 | 0.756 | |
| 115 | 36 | 1.1 | 123.0 | 282.0 | 1500 | 2400 | 51313 | 115 | 67 | 95 | 85 | 1 | 1.54 | |
| 140 | 56 | 2 | 234.0 | 495.0 | 1100 | 1700 | 51413FP | 140 | 68 | 110 | 95 | 2 | 4.1 | |
| d (내경) | D | T | r min | Basic Load Ratings (kN) | Limiting Speeds (rpm) | 호칭번호 | d1 | D1 | da min | Da max | ra max | 중량 (kg) |
||
| Ca | Coa | Grease | Oil | |||||||||||
| 70 | 95 | 18 | 1 | 43.5 | 127.0 | 2400 | 3600 | 51114 | 95 | 72 | 85 | 80 | 1 | 0.346 |
| 105 | 27 | 1 | 74.0 | 189.0 | 1900 | 2800 | 51214 | 105 | 72 | 91 | 84 | 1 | 0.793 | |
| 125 | 40 | 1.1 | 137.0 | 315.0 | 1400 | 2000 | 51314 | 125 | 72 | 103 | 92 | 1 | 2.0 | |
| 150 | 60 | 2 | 252.0 | 555.0 | 1000 | 1500 | 51414FP | 150 | 73 | 118 | 102 | 2 | 5.05 | |
| 75 | 100 | 19 | 1 | 43.5 | 131.0 | 2200 | 3400 | 51115 | 100 | 77 | 90 | 85 | 1 | 0.389 |
| 110 | 27 | 1 | 78.0 | 209.0 | 1800 | 2800 | 51215 | 110 | 77 | 96 | 89 | 1 | 0.845 | |
| 135 | 44 | 1.5 | 159.0 | 365.0 | 1300 | 1900 | 51315 | 135 | 77 | 111 | 99 | 1.5 | 2.6 | |
| 160 | 65 | 2 | 254.0 | 560.0 | 950 | 1400 | 51415FP | 160 | 78 | 125 | 110 | 2 | 6.15 | |
| 80 | 105 | 19 | 1 | 45.0 | 141.0 | 2200 | 3400 | 51116 | 105 | 82 | 95 | 90 | 1 | 0.417 |
| 115 | 28 | 1 | 79.0 | 218.0 | 1800 | 2600 | 51216 | 115 | 82 | 101 | 94 | 1 | 0.931 | |
| 140 | 44 | 1.5 | 164.0 | 395.0 | 1300 | 1900 | 51316 | 140 | 82 | 116 | 104 | 1.5 | 2.74 | |
| 170 | 68 | 2.1 | 272.0 | 620.0 | 900 | 1300 | 51416FP | 170 | 83 | 133 | 117 | 2 | 7.21 | |
| 85 | 110 | 19 | 1 | 46.5 | 150.0 | 2200 | 3200 | 51117 | 110 | 87 | 100 | 95 | 1 | 0.44 |
| 125 | 31 | 1 | 96.0 | 264.0 | 1600 | 2400 | 51217 | 125 | 88 | 109 | 101 | 1 | 1.22 | |
| 150 | 49 | 1.5 | 207.0 | 490.0 | 1100 | 1700 | 51317 | 150 | 88 | 124 | 111 | 1.5 | 3.57 | |
| 180 | 72 | 2.1 | 310.0 | 755.0 | 850 | 1300 | 51417FP | 177 | 88 | 141 | 124 | 2 | 8.51 | |
| 90 | 120 | 22 | 1 | 60.0 | 190.0 | 1900 | 3000 | 51118 | 120 | 92 | 108 | 102 | 1 | 0.646 |
| 135 | 35 | 1.1 | 114.0 | 310.0 | 1400 | 2200 | 51218 | 135 | 93 | 117 | 108 | 1 | 1.69 | |
| 155 | 50 | 1.5 | 214.0 | 525.0 | 1100 | 1700 | 51318 | 155 | 93 | 129 | 116 | 1.5 | 3.83 | |
| 190 | 77 | 2.1 | 330.0 | 825.0 | 800 | 1200 | 51418FP | 187 | 93 | 149 | 131 | 2 | 10.2 | |
| 100 | 135 | 25 | 1 | 86.0 | 268.0 | 1700 | 2600 | 51120 | 135 | 102 | 121 | 114 | 1 | 0.96 |
| 150 | 38 | 1.1 | 135.0 | 375.0 | 1300 | 2.0 | 51220 | 150 | 103 | 130 | 120 | 1 | 2.25 | |
| 170 | 55 | 1.5 | 239.0 | 595.0 | 1000 | 1500 | 51320 | 170 | 103 | 142 | 128 | 1.5 | 4.98 |
| d (내경) | D | T | r min | Basic Load Ratings (kN) | Limiting Speeds (rpm) | 호칭번호 | d1 | D1 | da min | Da max | ra max | 중량 (kg) | ||
| Ca | Coa | Grease | Oil | |||||||||||
| 110 | 145 | 25 | 1 | 88.0 | 288.0 | 1700 | 2400 | 51122 | 145 | 112 | 131 | 124 | 1 | 1.04 |
| 160 | 38 | 1.1 | 136.0 | 395.0 | 1300 | 1900 | 51222 | 160 | 113 | 140 | 130 | 1 | 2.42 | |
| 190 | 63 | 2 | 282.0 | 755.0 | 900 | 1300 | 51322MP | 187 | 113 | 158 | 142 | 2 | 7.19 | |
| 230 | 95 | 3 | 415.0 | 1150.0 | 630 | 950 | 51422FP | 225 | 113 | 181 | 159 | 2.5 | 20 | |
| 120 | 155 | 25 | 1 | 90.0 | 310.0 | 1600 | 2400 | 51124 | 155 | 122 | 141 | 134 | 1 | 1.12 |
| 170 | 39 | 1.1 | 141.0 | 430.0 | 1200 | 1800 | 51224 | 170 | 123 | 150 | 140 | 1 | 2.7 | |
| 210 | 70 | 2.1 | 330.0 | 930.0 | 800 | 1200 | 51324MP | 205 | 123 | 173 | 157 | 2 | 9.7 | |
| 250 | 102 | 4 | 480.0 | 1400.0 | 600 | 900 | 51424FP | 245 | 123 | 196 | 174 | 3 | 26.2 | |
| 130 | 170 | 30 | 1 | 105.0 | 350.0 | 1400 | 2000 | 51126 | 170 | 132 | 154 | 146 | 1 | 1.68 |
| 190 | 45 | 1.5 | 183.0 | 550.0 | 1100 | 1600 | 51226 | 187 | 133 | 166 | 154 | 1.5 | 3.95 | |
| 225 | 75 | 2.1 | 350.0 | 1030.0 | 75 | 1100 | 51326MP | 220 | 134 | 186 | 169 | 2 | 12.1 | |
| 270 | 110 | 4 | 525.0 | 1590.0 | 530 | 800 | 51426FP | 265 | 134 | 212 | 188 | 3 | 32.3 | |
| 140 | 180 | 31 | 1 | 107.0 | 375.0 | 1300 | 2000 | 51128 | 178 | 142 | 164 | 156 | 1 | 1.83 |
| 200 | 46 | 1.5 | 186.0 | 575.0 | 1000 | 1500 | 51228 | 197 | 143 | 176 | 164 | 1.5 | 4.3 | |
| 240 | 80 | 2.1 | 370.0 | 1130.0 | 670 | 1000 | 51328MP | 235 | 144 | 199 | 181 | 2 | 14.2 | |
| 150 | 190 | 31 | 1 | 110.0 | 400.0 | 1300 | 1900 | 51130FP | 188 | 152 | 174 | 166 | 1 | 1.95 |
| 215 | 50 | 1.5 | 238.0 | 735.0 | 950 | 1400 | 51230MP | 212 | 153 | 189 | 176 | 1.5 | 5.52 | |
| 250 | 80 | 2.1 | 380.0 | 1200.0 | 670 | 1000 | 51330MP | 245 | 154 | 209 | 191 | 2 | 15 | |
| 300 | 120 | 4 | 620.0 | 2010.0 | 480 | 710 | 51430FP | 295 | 154 | 238 | 212 | 3 | 43.5 | |
| 160 | 200 | 31 | 1 | 113.0 | 425.0 | 1200 | 1900 | 51132FP | 198 | 162 | 184 | 176 | 1 | 2.07 |
| 225 | 51 | 1.5 | 249.0 | 805.0 | 900 | 1400 | 51232MP | 222 | 163 | 199 | 186 | 1.5 | 6.04 | |
| 270 | 87 | 3 | 475.0 | 1570.0 | 600 | 900 | 51332M | 265 | 164 | 225 | 205 | 2.5 | 19.6 | |
| d (내경) |
D | T | r min |
Basic Load Ratings (kN) |
Limiting Speeds (rpm) |
호칭번호 | d1 | D1 | da min |
Da max |
ra max |
중량 (kg) |
||
| Ca | Coa | Grease | Oil | |||||||||||
| 170 | 215 | 34 | 1.1 | 135.0 | 510.0 | 1100 | 1700 | 51134FP | 213 | 172 | 197 | 188 | 1 | 2.72 |
| 240 | 55 | 1.5 | 280.0 | 915.0 | 850 | 1300 | 51234MP | 237 | 173 | 212 | 198 | 1.5 | 7.41 | |
| 280 | 87 | 3 | 465.0 | 1570.0 | 600 | 900 | 51334M | 275 | 174 | 235 | 215 | 2.5 | 20.3 | |
| 180 | 225 | 34 | 1.1 | 136.0 | 530.0 | 1100 | 1700 | 51136FP | 222 | 183 | 207 | 198 | 1 | 2.79 |
| 250 | 56 | 1.5 | 284.0 | 955.0 | 800 | 1200 | 51236MP | 247 | 183 | 222 | 208 | 1.5 | 7.94 | |
| 300 | 95 | 3 | 480.0 | 1680.0 | 560 | 850 | 51336M | 295 | 184 | 251 | 229 | 2.5 | 25.9 | |
| 190 | 240 | 37 | 1.1 | 172.0 | 655.0 | 1000 | 1600 | 51138FP | 237 | 193 | 220 | 210 | 1 | 3.6 |
| 270 | 62 | 2 | 320.0 | 1110.0 | 750 | 1100 | 51238MP | 267 | 194 | 238 | 222 | 2 | 11.8 | |
| 200 | 250 | 37 | 1.1 | 173.0 | 675.0 | 1000 | 1500 | 51140FP | 247 | 203 | 230 | 220 | 1 | 3.75 |
| 280 | 62 | 2 | 315.0 | 1110.0 | 710 | 1100 | 51240MP | 277 | 204 | 248 | 232 | 2 | 12.3 | |
| 340 | 110 | 4 | 600.0 | 2220.0 | 480 | 710 | 51340M | 335 | 205 | 282 | 258 | 3 | 43.6 | |
| 220 | 270 | 37 | 1.1 | 179.0 | 740.0 | 950 | 1500 | 51144FP | 267 | 223 | 250 | 240 | 1 | 4.09 |
| 300 | 63 | 2 | 325.0 | 1210.0 | 670 | 1000 | 51244MP | 297 | 224 | 268 | 252 | 2 | 13.6 | |
| 240 | 300 | 45 | 1.5 | 229.0 | 935.0 | 850 | 1200 | 51148FP | 297 | 243 | 276 | 264 | 1.5 | 6.55 |
| 340 | 78 | 2.1 | 420.0 | 1650.0 | 560 | 850 | 51248MP | 335 | 244 | 299 | 281 | 2 | 23.7 | |
| 260 | 320 | 45 | 1.5 | 233.0 | 990.0 | 800 | 1200 | 51152FP | 317 | 263 | 296 | 284 | 1.5 | 7.01 |
| 360 | 79 | 2.1 | 435.0 | 1800.0 | 560 | 850 | 51252MP | 355 | 264 | 319 | 301 | 2 | 25.1 | |
| 280 | 350 | 53 | 1.5 | 315.0 | 1310.0 | 710 | 1000 | 51156FP | 347 | 283 | 322 | 308 | 1.5 | 12 |
| 380 | 80 | 2.1 | 450.0 | 1950.0 | 530 | 800 | 51256MP | 375 | 284 | 339 | 321 | 2 | 27.1 | |
| 300 | 380 | 62 | 2 | 360.0 | 1560.0 | 600 | 900 | 51160FP | 376 | 304 | 348 | 332 | 2 | 17.2 |
| 420 | 95 | 3 | 540.0 | 2410.0 | 450 | 670 | 51260M | 415 | 304 | 371 | 349 | 2.5 | 43.5 | |
| 320 | 400 | 63 | 2 | 365.0 | 1660.0 | 600 | 900 | 51164FP | 396 | 324 | 368 | 352 | 2 | 18.6 |
| 440 | 95 | 3 | 585.0 | 2680.0 | 450 | 670 | 51264M | 435 | 325 | 391 | 369 | 2.5 | 45 | |
| 340 | 420 | 64 | 2 | 375.0 | 1760.0 | 560 | 850 | 51168FP | 416 | 344 | 388 | 372 | 2 | 19.9 |
| 460 | 96 | 3 | 595.0 | 2800.0 | 430 | 630 | 51268M | 455 | 345 | 411 | 389 | 2.5 | 47.9 | |
| 360 | 440 | 65 | 2 | 385.0 | 1860.0 | 560 | 800 | 51172FP | 436 | 364 | 408 | 392 | 2 | 21.5 |
| 500 | 110 | 4 | 705.0 | 3500.0 | 380 | 560 | 51272M | 495 | 365 | 442 | 418 | 3 | 68.8 |