테이퍼 구멍형 필로우형 롤링 베어링 유니트 1577-1965 , JIS B 1588 ~9 -1976

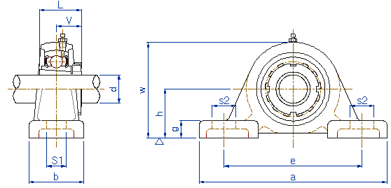
| 유니트 호칭번호 | 축경 d | 치수 (mm) | 설치 볼트 | |||||||||
| h | a | e | b | S1 | S2 | g | w | L | V | |||
| UKP205 | 20 | 36.5 | 140 | 105 | 38 | 13 | 19 | 13 | 71 | 29 | 18.0 | M10 |
| UKP206 | 25 | 42.9 | 165 | 121 | 48 | 17 | 21 | 15 | 84 | 31 | 19.0 | M14 |
| UKP207 | 30 | 47.6 | 167 | 127 | 48 | 17 | 21 | 16 | 93 | 35 | 21.5 | M14 |
| UKP208 | 35 | 49.2 | 184 | 137 | 54 | 17 | 21 | 17 | 98 | 36 | 23.0 | M14 |
| UKP209 | 40 | 54.0 | 190 | 146 | 54 | 17 | 21 | 17 | 106 | 39 | 24.5 | M14 |
| UKP210 | 45 | 57.2 | 206 | 159 | 60 | 20 | 22 | 19 | 113 | 42 | 26.0 | M16 |
| UKP211 | 50 | 63.5 | 219 | 171 | 60 | 20 | 22 | 19 | 125 | 45 | 27.5 | M16 |
| UKP212 | 55 | 69.8 | 241 | 184 | 70 | 20 | 25 | 22 | 138 | 47 | 29.0 | M16 |
| UKP213 | 60 | 76.2 | 265 | 203 | 70 | 25 | 30 | 25 | 150 | 50 | 32.0 | M20 |
| UKP215 | 65 | 82.6 | 275 | 217 | 74 | 25 | 30 | 28 | 162 | 55 | 35.0 | M20 |
| UKP216 | 70 | 88.9 | 292 | 232 | 78 | 25 | 35 | 32 | 174 | 59 | 38.0 | M20 |
| UKP217 | 75 | 95.2 | 310 | 247 | 83 | 25 | 40 | 32 | 185 | 63 | 40.0 | M20 |
| UKP218 | 80 | 101.6 | 327 | 262 | 88 | 27 | 45 | 34 | 198 | 65 | 42.0 | M22 |
| 유니트 호칭번호 | 축경 d | 베어링 | 하우징 호칭번호 | 적용 어댑터 슬리브 | 유니트 질량 (kg) | ||
| 호칭 번호 | 기본정격 하중(kgf) | ||||||
| C(동) | Co(정) | ||||||
| UKP205 | 20 | UK205 | 1,400 | 730 | P205 | H305 | 0.84 |
| UKP206 | 25 | UK206 | 1,950 | 1,050 | P206 | H306 | 1.4 |
| UKP207 | 30 | UK207 | 2,570 | 1,430 | P207 | H307 | 1.7 |
| UKP208 | 35 | UK208 | 2,910 | 1,650 | P208 | H308 | 2.0 |
| UKP209 | 40 | UK209 | 3,200 | 1,850 | P209 | H309 | 2.3 |
| UKP210 | 45 | UK210 | 3,510 | 2,100 | P210 | H310 | 3.0 |
| UKP211 | 50 | UK211 | 4,330 | 2,660 | P211 | H311 | 3.7 |
| UKP212 | 55 | UK212 | 5,240 | 3,300 | P212 | H312 | 4.8 |
| UKP213 | 60 | UK213 | 5,720 | 3,650 | P213 | H313 | 5.8 |
| UKP215 | 65 | UK215 | 6,740 | 4,400 | P215 | H315 | 7.5 |
| UKP216 | 70 | UK216 | 7,260 | 4,750 | P216 | H316 | 9.2 |
| UKP217 | 75 | UK217 | 8,390 | 5,600 | P217 | H317 | 11.0 |
| UKP218 | 80 | UK218 | 9,600 | 6,450 | P218 | H318 | 13.8 |

| 유니트 호칭번호 | 축경 d | 치수 (mm) | 설치 볼트 | |||||||||
| h | a | e | b | S1 | S2 | g | w | L | V | |||
| UKP305 | 20 | 45 | 175 | 132 | 45 | 17 | 20 | 12 | 87 | 35 | 21.0 | M14 |
| UKP306 | 25 | 50 | 180 | 140 | 50 | 17 | 20 | 15 | 98 | 38 | 23.0 | M14 |
| UKP307 | 30 | 56 | 210 | 160 | 56 | 17 | 25 | 17 | 110 | 43 | 25.0 | M14 |
| UKP308 | 35 | 60 | 220 | 170 | 60 | 17 | 27 | 19 | 118 | 46 | 27.0 | M14 |
| UKP309 | 40 | 67 | 245 | 190 | 67 | 20 | 30 | 21 | 132 | 50 | 30.0 | M16 |
| UKP310 | 45 | 75 | 275 | 212 | 75 | 20 | 35 | 24 | 148 | 55 | 32.0 | M16 |
| UKP311 | 50 | 80 | 310 | 236 | 80 | 20 | 38 | 37 | 158 | 59 | 34.0 | M16 |
| UKP312 | 550 | 85 | 330 | 250 | 85 | 25 | 38 | 29 | 168 | 62 | 35.5 | M20 |
| UKP313 | 60 | 90 | 340 | 260 | 90 | 25 | 38 | 32 | 178 | 65 | 37.5 | M20 |
| UKP315 | 65 | 100 | 380 | 290 | 100 | 27 | 40 | 35 | 200 | 73 | 39.5 | M22 |
| UKP316 | 70 | 106 | 400 | 300 | 110 | 27 | 40 | 35 | 211 | 78 | 42.5 | M22 |
| UKP317 | 75 | 112 | 420 | 320 | 110 | 33 | 45 | 40 | 222 | 82 | 45.5 | M27 |
| UKP318 | 80 | 118 | 430 | 330 | 110 | 33 | 45 | 40 | 234 | 86 | 46.5 | M27 |
| UKP319 | 85 | 125 | 470 | 360 | 120 | 36 | 50 | 46 | 248 | 90 | 49.0 | M30 |
| UKP320 | 90 | 140 | 490 | 380 | 120 | 36 | 50 | 46 | 273 | 97 | 51.0 | M30 |
| UKP322 | 100 | 150 | 520 | 400 | 140 | 40 | 55 | 50 | 296 | 105 | 55.0 | M33 |
| UKP324 | 110 | 160 | 570 | 450 | 140 | 40 | 55 | 50 | 316 | 112 | 58.0 | M33 |
| UKP326 | 115 | 180 | 600 | 480 | 140 | 40 | 55 | 50 | 355 | 121 | 66.0 | M33 |
| UKP328 | 125 | 200 | 620 | 500 | 140 | 40 | 55 | 60 | 395 | 131 | 69.0 | M33 |

| 유니트 호칭번호 | 축경 d | 베어링 | 하우징 호칭번호 | 적용 어댑터 슬리브 | 유니트 질량 (kg) | ||
| 호칭 번호 | 기본정격 하중(kgf) | ||||||
| C(동) | Co(정) | ||||||
| UKP305 | 20 | UK305 | 2,100 | 1,090 | P305 | H2305 | 1.7 |
| UKP306 | 25 | UK306 | 2,660 | 1,440 | P306 | H2306 | 2.2 |
| UKP307 | 30 | UK307 | 3,330 | 1,840 | P307 | H2307 | 3.0 |
| UKP308 | 35 | UK308 | 4,070 | 2,300 | P308 | H2308 | 3.8 |
| UKP309 | 40 | UK309 | 4,890 | 2,950 | P309 | H2309 | 5.0 |
| UKP310 | 45 | UK310 | 6,200 | 3,650 | P310 | H2310 | 6.7 |
| UKP311 | 50 | UK311 | 7,160 | 4,300 | P311 | H2311 | 8.1 |
| UKP312 | 550 | UK312 | 8,180 | 5,000 | P312 | H2312 | 9.4 |
| UKP313 | 60 | UK313 | 9,270 | 5,750 | P313 | H2313 | 10.8 |
| UKP315 | 65 | UK315 | 11,300 | 7,400 | P315 | H2315 | 14.9 |
| UKP316 | 70 | UK316 | 12,300 | 8,250 | P316 | H2316 | 18.6 |
| UKP317 | 75 | UK317 | 13,300 | 9,200 | P317 | H2317 | 20.2 |
| UKP318 | 80 | UK318 | 14,300 | 10,200 | P318 | H2318 | 22.8 |
| UKP319 | 85 | UK319 | 15,300 | 11,300 | P319 | H2319 | 29.3 |
| UKP320 | 90 | UK320 | 17,300 | 13,500 | P320 | H2320 | 34.8 |
| UKP322 | 100 | UK322 | 20,500 | 17,200 | P322 | H2322 | 43.9 |
| UKP324 | 110 | UK324 | 20,700 | 17,400 | P324 | H2324 | 55.7 |
| UKP326 | 115 | UK326 | 22,900 | 20,200 | P326 | H2326 | 71.9 |
| UKP328 | 125 | UK328 | 25,300 | 23,200 | P328 | H2328 | 92.5 |
| 유니트 호칭번호 | 축경 d | 치수 (mm) | 설치 볼트 | |||||||||
| h | a | e | b | S1 | S2 | g | w | L | V | |||
| UKPX05 | - | - | - | - | - | - | - | - | - | - | - | - |
| UKPX06 | 25 | 47.6 | 175 | 127 | 57 | 17 | 25 | 17 | 93 | 38 | 20.5 | M14 |
| UKPX07 | 30 | 54.0 | 203 | 144 | 57 | 17 | 30 | 19 | 105 | 43 | 22.0 | M14 |
| UKPX08 | 35 | 58.7 | 222 | 156 | 67 | 20 | 32 | 21 | 114 | 46 | 23.5 | M16 |
| UKPX09 | 40 | 58.7 | 222 | 156 | 67 | 20 | 33 | 21 | 116 | 50 | 25.0 | M16 |
| UKPX10 | 45 | 63.5 | 241 | 171 | 73 | 20 | 36 | 22 | 126 | 55 | 27.5 | M16 |
| UKPX11 | 50 | 69.8 | 260 | 184 | 79 | 25 | 36 | 28 | 139 | 59 | 28.0 | M20 |
| UKPX12 | 55 | 76.2 | 286 | 203 | 83 | 25 | 40 | 28 | 152 | 62 | 31.0 | M20 |
| UKPX13 | 60 | 76.2 | 286 | 203 | 83 | 25 | 40 | 28 | 155 | 65 | 34.0 | M20 |
| UKPX15 | 65 | 88.9 | 330 | 229 | 89 | 27 | 50 | 32 | 175 | 73 | 36.0 | M22 |
| UKPX16 | 70 | 101.6 | 381 | 283 | 102 | 27 | 58 | 34 | 195 | 78 | 39.0 | M22 |
| UKPX17 | 75 | 101.6 | 381 | 283 | 102 | 27 | 60 | 34 | 200 | 82 | 42.0 | M22 |
| UKPX18 | 80 | 101.6 | 381 | 283 | 111 | 27 | 60 | 38 | 204 | 86 | 43.0 | M22 |
| UKPX20 | 90 | 127.0 | 432 | 337 | 121 | 33 | 60 | 45 | 245 | 97 | 47.0 | M22 |
| 유니트 호칭번호 | 축경 d | 베어링 | 하우징 호칭번호 | 적용 어댑터 슬리브 | 유니트 질량 (kg) | ||
| 호칭 번호 | 기본정격 하중 (kgf) | ||||||
| C (동) | Co (정) | ||||||
| UKPX05 | - | - | - | - | - | - | - |
| UKPX06 | 25 | UKX06 | 2,570 | 1,430 | PX06 | H2306 | 2.1 |
| UKPX07 | 30 | UKX07 | 2,910 | 1,650 | PX07 | H2307 | 2.7 |
| UKPX08 | 35 | UKX08 | 3,200 | 1,850 | PX08 | H2308 | 3.5 |
| UKPX09 | 40 | UKX09 | 3,510 | 2,100 | PX09 | H2309 | 3.7 |
| UKPX10 | 45 | UKX10 | 4,330 | 2,660 | PX10 | H2310 | 4.6 |
| UKPX11 | 50 | UKX11 | 5,240 | 3,300 | PX11 | H2311 | 6.5 |
| UKPX12 | 55 | UKX12 | 5,720 | 3,650 | PX12 | H2312 | 7.7 |
| UKPX13 | 60 | UKX13 | 6,220 | 4,000 | PX13 | H2313 | 8.1 |
| UKPX15 | 65 | UKX15 | 7,260 | 4,700 | PX15 | H2315 | 10.8 |
| UKPX16 | 70 | UKX16 | 8,390 | 5,600 | PX16 | H2316 | 15.3 |
| UKPX17 | 75 | UKX17 | 9,600 | 6,450 | PX17 | H2317 | 16.1 |
| UKPX18 | 80 | UKX18 | 11,200 | 8,360 | PX18 | H2318 | - |
| UKPX20 | 90 | UKX20 | 13,500 | 10,710 | PX20 | H2320 | - |