Maker : NTN
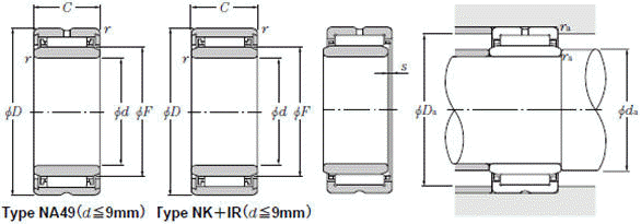
| Boundary dimensions | Basic load ratings | Limiting speeds | Bearing numbers | Abutment dimensions | Mass kg | |||||||||
| d | D | C | rs min | F | s | dynamic Cr (N) | static Cor (N) | grease | oil | da min | Da max | ras max | ||
| 5 | 13 | 10 | 0.15 | 7 | - | 2670 | 2350 | 23000 | 34000 | NA495T2 | 6.2 | 8.5 | 0.15 | 0.007 |
| 15 | 12 | 0.3 | 8 | 1.5 | 4000 | 4100 | 21000 | 32000 | NK8/12T2+IR5x8x12 | 7 | 9.5 | 0.3 | 0.012 | |
| 15 | 16 | 0.3 | 8 | 2 | 4850 | 5200 | 21000 | 32000 | NK8/16T2+IR5x8x16 | 7 | 9.5 | 0.3 | 0.016 | |
| 6 | 15 | 10 | 0.15 | 8 | - | 3150 | 3000 | 21000 | 32000 | NA496 | 8 | 9.5 | 0.15 | 0.009 |
| 16 | 12 | 0.3 | 9 | 1.5 | 4550 | 5000 | 20000 | 30000 | NK9/12T2+IR6x9x12 | 8 | 10.5 | 0.3 | 0.013 | |
| 16 | 16 | 0.3 | 9 | 2 | 5500 | 6400 | 20000 | 30000 | NK9/16T2+IR6x9x16 | 8 | 10.5 | 0.3 | 0.017 | |
| 7 | 17 | 10 | 0.15 | 9 | - | 3600 | 3650 | 20000 | 30000 | NA497 | 9 | 10.5 | 0.15 | 0.010 |
| 17 | 12 | 0.3 | 10 | 1.5 | 4550 | 5100 | 19000 | 28000 | NK10/12T2+IR7x10x12 | 9 | 11.5 | 0.3 | 0.014 | |
| 17 | 16 | 0.3 | 10 | 2 | 5450 | 6450 | 19000 | 28000 | NK10/16+IR7x10x16 | 9 | 11.5 | 0.3 | 0.018 | |
| 8 | 19 | 11 | 0.15 | 10 | - | 4300 | 3950 | 19000 | 28000 | NA498 | 10 | 12 | 0.15 | 0.016 |
| 9 | 19 | 12 | 0.3 | 12 | 1.5 | 5000 | 6100 | 17000 | 26000 | NK12/12+IR9x12x12 | 11 | 13.5 | 0.3 | 0.018 |
| 19 | 16 | 0.3 | 12 | 2 | 6000 | 7700 | 17000 | 26000 | NK12/16+IR9x12x16 | 11 | 13.5 | 0.3 | 0.022 | |
| 20 | 11 | 0.3 | 12 | - | 4850 | 4900 | 17000 | 26000 | NA499 | 11 | 14 | 0.3 | 0.017 | |
| Boundary dimensions | Basic load ratings | Limiting speeds | Bearing numbers | Abutment dimensions | Mass kg | |||||||||
| d | D | C | rs min | F | s | dynamic Cr (N) | static Cor (N) | grease | oil | da min | Da max | ras max | ||
| 10 | 22 | 13 | 0.3 | 14 | 0.5 | 8600 | 9200 | 16000 | 24000 | NA4900R | 12 | 20 | 0.3 | 0.024 |
| 22 | 16 | 0.3 | 14 | 0.5 | 10300 | 11500 | 16000 | 24000 | NK14/16R+IR10x14x16 | 12 | 20 | 0.3 | 0.030 | |
| 22 | 20 | 0.3 | 14 | 0.5 | 13000 | 15600 | 16000 | 24000 | NK14/20R+IR10x14x20 | 12 | 20 | 0.3 | 0.038 | |
| 12 | 24 | 13 | 0.3 | 16 | 0.5 | 9550 | 10900 | 15000 | 23000 | NA4901R | 14 | 22 | 0.3 | 0.026 |
| 24 | 16 | 0.3 | 16 | 0.5 | 12200 | 14900 | 15000 | 23000 | NK16/16R+IR12x16x16 | 14 | 22 | 0.3 | 0.033 | |
| 24 | 20 | 0.3 | 16 | 0.5 | 14600 | 18800 | 15000 | 23000 | NK16/20R+IR12x16x20 | 14 | 22 | 0.3 | 0.042 | |
| 24 | 22 | 0.3 | 16 | 1 | 15400 | 20000 | 15000 | 23000 | NA6901R | 14 | 22 | 0.3 | 0.046 | |
| 15 | 27 | 16 | 0.3 | 19 | 0.5 | 13300 | 17400 | 14000 | 21000 | NK19/16R+IR15x19x16 | 17 | 25 | 0.3 | 0.039 |
| 27 | 20 | 0.3 | 19 | 0.5 | 16000 | 22200 | 14000 | 21000 | NK19/20R+IR15x19x20 | 17 | 25 | 0.3 | 0.045 | |
| 28 | 13 | 0.3 | 20 | 0.5 | 10300 | 12800 | 13000 | 20000 | NA4902R | 17 | 26 | 0.3 | 0.036 | |
| 28 | 18 | 0.3 | 20 | 0.5 | 14100 | 19100 | 13000 | 20000 | NA5902 | 17 | 26 | 0.3 | 0.052 | |
| 28 | 23 | 0.3 | 20 | 1 | 17600 | 25300 | 13000 | 20000 | NA6902R | 17 | 26 | 0.3 | 0.064 | |
| 17 | 29 | 16 | 0.3 | 21 | 0.5 | 13700 | 18700 | 13000 | 19000 | NK21/16R+IR17x21x16 | 19 | 27 | 0.3 | 0.042 |
| 29 | 20 | 0.3 | 21 | 0.5 | 18300 | 27100 | 13000 | 19000 | NK21/20R+IR17x21x20 | 19 | 27 | 0.3 | 0.053 | |
| 30 | 13 | 0.3 | 22 | 0.5 | 11200 | 14600 | 12000 | 18000 | NA4903R | 19 | 28 | 0.3 | 0.037 | |
| 30 | 18 | 0.3 | 22 | 0.5 | 15200 | 21700 | 12000 | 18000 | NA5903 | 19 | 28 | 0.3 | 0.056 | |
| 30 | 23 | 0.3 | 22 | 1 | 18200 | 27200 | 12000 | 18000 | NA6903R | 19 | 28 | 0.3 | 0.069 | |
| Boundary dimensions | Basic load ratings | Limiting speeds | Bearing numbers | Abutment dimensions | Mass kg | |||||||||
| d | D | C | rs min | F | s | dynamic Cr (N) | static Cor (N) | grease | oil | da min | Da max | ras max | ||
| 20 | 32 | 16 | 0.3 | 24 | 0.5 | 15200 | 22300 | 11000 | 17000 | NK24/16R+IR20x24x16 | 22 | 30 | 0.3 | 0.049 |
| 32 | 20 | 0.3 | 24 | 0.5 | 18600 | 28800 | 11000 | 17000 | NK24/20R+IR20x24x20 | 22 | 30 | 0.3 | 0.061 | |
| 37 | 17 | 0.3 | 25 | 0.8 | 21300 | 25500 | 11000 | 16000 | NA4904R | 22 | 35 | 0.3 | 0.074 | |
| 37 | 23 | 0.3 | 25 | 0.8 | 28400 | 37000 | 11000 | 16000 | NA5904 | 22 | 35 | 0.3 | 0.115 | |
| 37 | 30 | 0.3 | 25 | 1 | 36500 | 50500 | 11000 | 16000 | NA6904R | 22 | 35 | 0.3 | 0.141 | |
| 22 | 34 | 16 | 0.3 | 26 | 0.5 | 15600 | 23600 | 10000 | 15000 | NK26/16R+IR22x26x16 | 24 | 32 | 0.3 | 0.046 |
| 34 | 20 | 0.3 | 26 | 0.5 | 19100 | 30500 | 10000 | 15000 | NK26/20R+IR22x26x20 | 24 | 32 | 0.3 | 0.064 | |
| 39 | 17 | 0.3 | 28 | 0.8 | 23200 | 29300 | 9500 | 14000 | NA49/22R | 24 | 37 | 0.3 | 0.080 | |
| 39 | 23 | 0.3 | 28 | 0.8 | 26400 | 37500 | 9500 | 14000 | NA59/22 | 24 | 37 | 0.3 | 0.134 | |
| 39 | 30 | 0.3 | 28 | 0.5 | 40000 | 58500 | 9500 | 14000 | NA69/22R | 24 | 37 | 0.3 | 0.154 | |
| 25 | 38 | 20 | 0.3 | 29 | 1 | 22200 | 34000 | 9500 | 14000 | NK29/20R+IR25x29x20 | 27 | 36 | 0.3 | 0.079 |
| 38 | 30 | 0.3 | 29 | 1.5 | 27500 | 50500 | 9500 | 14000 | NK29/30R+IR25x29x30 | 27 | 36 | 0.3 | 0.123 | |
| 42 | 17 | 0.3 | 30 | 0.8 | 24000 | 31500 | 8000 | 13000 | NA4905R | 27 | 40 | 0.3 | 0.088 | |
| 42 | 23 | 0.3 | 30 | 0.8 | 30500 | 43000 | 8500 | 13000 | NA5905 | 27 | 40 | 0.3 | 0.139 | |
| 42 | 30 | 0.3 | 30 | 1 | 41500 | 63000 | 8500 | 13000 | NA6905R | 27 | 40 | 0.3 | 0.162 | |
| 28 | 42 | 20 | 0.3 | 32 | 1 | 23500 | 37500 | 8500 | 13000 | NK32/20R+IR28x32x20 | 30 | 40 | 0.3 | 0.096 |
| 42 | 30 | 0.3 | 32 | 1.5 | 34000 | 60500 | 8500 | 13000 | NK32/30R+IR28x32x30 | 30 | 40 | 0.3 | 0.146 | |
| 45 | 17 | 0.3 | 32 | 0.8 | 24800 | 33500 | 8500 | 13000 | NA49/28R | 30 | 43 | 0.3 | 0.098 | |
| 45 | 23 | 0.3 | 32 | 0.8 | 32000 | 45500 | 8500 | 13000 | NA59/28 | 30 | 43 | 0.3 | 0.142 | |
| 45 | 30 | 0.3 | 32 | 1 | 43000 | 67000 | 8500 | 13000 | NA69/28R | 30 | 43 | 0.3 | 0.179 | |
| 30 | 45 | 20 | 0.3 | 35 | 0.5 | 24800 | 41500 | 7500 | 11000 | NK35/20R+IR30x35x20 | 32 | 43 | 0.3 | 0.112 |
| 45 | 30 | 0.3 | 35 | 1 | 36000 | 66500 | 7500 | 11000 | NK35/30R+IR30x35x30 | 32 | 43 | 0.3 | 0.171 | |
| 47 | 17 | 0.3 | 35 | 0.8 | 25500 | 35500 | 7500 | 11000 | NA4906R | 32 | 45 | 0.3 | 0.101 | |
| 47 | 23 | 0.3 | 35 | 0.8 | 32500 | 48500 | 7500 | 11000 | NA5906 | 32 | 45 | 0.3 | 0.152 | |
| 47 | 30 | 0.3 | 35 | 1 | 42500 | 67500 | 7500 | 11000 | NA6906R | 32 | 45 | 0.3 | 0.185 | |
| Boundary dimensions | Basic load ratings | Limiting speeds | Bearing numbers | Abutment dimensions | Mass kg | |||||||||
| d | D | C | rs min | F | s | dynamic Cr (N) | static Cor (N) | grease | oil | da min | Da max | ras max | ||
| 32 | 47 | 20 | 0.3 | 37 | 0.5 | 25300 | 43500 | 7500 | 11000 | NK37/20R+IR32x37x20 | 34 | 45 | 0.3 | 0.117 |
| 47 | 30 | 0.3 | 37 | 1 | 36500 | 69500 | 7500 | 11000 | NK37/30R+IR32x37x30 | 34 | 45 | 0.3 | 0.170 | |
| 52 | 20 | 0.6 | 40 | 0.8 | 31500 | 47500 | 6500 | 10000 | NA49/32R | 36 | 48 | 0.6 | 0.157 | |
| 52 | 27 | 0.6 | 40 | 0.8 | 38000 | 61000 | 6500 | 10000 | NA59/32 | 36 | 48 | 0.6 | 0.241 | |
| 52 | 36 | 0.6 | 40 | 0.5 | 47500 | 82000 | 6500 | 10000 | NA69/32R | 36 | 48 | 0.6 | 0.286 | |
| 35 | 50 | 20 | 0.3 | 40 | 0.5 | 26400 | 47000 | 6500 | 10000 | NK40/20R+IR35x40x20 | 37 | 48 | 0.3 | 0.130 |
| 50 | 30 | 0.3 | 40 | 1 | 38500 | 76000 | 6500 | 10000 | NK40/30R+IR35x40x30 | 37 | 48 | 0.3 | 0.193 | |
| 55 | 20 | 0.6 | 42 | 0.8 | 32000 | 50000 | 6500 | 9500 | NA4907R | 39 | 51 | 0.6 | 0.171 | |
| 55 | 27 | 0.6 | 42 | 0.8 | 39000 | 64500 | 6500 | 9500 | NA5907 | 39 | 51 | 0.6 | 0.256 | |
| 55 | 36 | 0.6 | 42 | 0.5 | 49000 | 86500 | 6500 | 9500 | NA6907R | 39 | 51 | 0.6 | 0.310 | |
| 38 | 53 | 20 | 0.3 | 43 | 0.5 | 27500 | 51000 | 6500 | 9500 | NK43/20R+IR38x43x20 | 40 | 51 | 0.3 | 0.134 |
| 53 | 30 | 0.3 | 43 | 1 | 40000 | 82000 | 6500 | 9500 | NK43/30R+IR38x43x30 | 40 | 51 | 0.3 | 0.207 | |
| 40 | 55 | 20 | 0.3 | 45 | 0.5 | 28000 | 52500 | 6000 | 9000 | NK45/20R+IR40x45x20 | 42 | 53 | 0.3 | 0.143 |
| 55 | 30 | 0.3 | 45 | 1 | 41000 | 85000 | 6000 | 9000 | NK45/30R+IR40x45x30 | 42 | 53 | 0.3 | 0.216 | |
| 62 | 22 | 0.6 | 48 | 1 | 43500 | 66500 | 5500 | 8500 | NA4908R | 44 | 58 | 0.6 | 0.232 | |
| 62 | 30 | 0.6 | 48 | 1 | 53000 | 92500 | 5500 | 8500 | NA5908 | 44 | 58 | 0.6 | 0.348 | |
| 62 | 40 | 0.6 | 48 | 0.5 | 67000 | 116000 | 5500 | 8500 | NA6908R | 44 | 58 | 0.6 | 0.426 | |
| 42 | 57 | 20 | 0.3 | 47 | 0.5 | 28800 | 55500 | 5500 | 8500 | NK47/20R+IR42x47x20 | 44 | 55 | 0.3 | 0.148 |
| 57 | 30 | 0.3 | 47 | 1 | 42500 | 91500 | 5500 | 8500 | NK47/30R+IR42x47x30 | 44 | 55 | 0.3 | 0.222 | |
| 45 | 62 | 25 | 0.6 | 50 | 1.5 | 38500 | 74500 | 5500 | 8000 | NK50/25R+IR45x50x25 | 48 | 58 | 0.6 | 0.229 |
| 62 | 35 | 0.6 | 50 | 2 | 51000 | 106000 | 5500 | 8000 | NK50/35R+IR45x50x35 | 48 | 58 | 0.6 | 0.322 | |
| 68 | 22 | 0.6 | 52 | 1 | 46000 | 73000 | 5000 | 7500 | NA4909R | 49 | 64 | 0.6 | 0.270 | |
| 68 | 30 | 0.6 | 52 | 1 | 56000 | 101000 | 5000 | 7500 | NA5909 | 49 | 64 | 0.6 | 0.396 | |
| 68 | 40 | 0.6 | 52 | 0.5 | 70500 | 127000 | 5000 | 7500 | NA6909R | 49 | 64 | 0.6 | 0.437 | |
| Boundary dimensions | Basic load ratings | Limiting speeds | Bearing numbers | Abutment dimensions | Mass kg | |||||||||
| d | D | C | rs min | F | s | dynamic Cr (N) | static Cor (N) | grease | oil | da min | Da max | ras max | ||
| 50 | 68 | 25 | 0.6 | 55 | 1.5 | 41000 | 82000 | 5000 | 7500 | NK55/25R+IR50x55x25 | 53 | 64 | 0.6 | 0.271 |
| 68 | 35 | 0.6 | 55 | 2 | 54000 | 118000 | 5000 | 7500 | NK55/35R+IR50x55x35 | 53 | 64 | 0.6 | 0.379 | |
| 72 | 22 | 0.6 | 58 | 1 | 48000 | 80000 | 4700 | 7000 | NA4910R | 54 | 68 | 0.6 | 0.276 | |
| 72 | 30 | 0.6 | 58 | 1 | 58000 | 110000 | 4700 | 7000 | NA5910 | 54 | 68 | 0.6 | 0.498 | |
| 72 | 40 | 0.6 | 58 | 0.5 | 74000 | 139000 | 4700 | 7000 | NA6910R | 54 | 68 | 0.6 | 0.529 | |
| 55 | 72 | 25 | 0.6 | 60 | 1.5 | 41000 | 85000 | 4300 | 6500 | NK60/25R+IR55x60x25 | 58 | 68 | 0.6 | 0.271 |
| 72 | 35 | 0.6 | 60 | 2 | 57000 | 130000 | 4300 | 6500 | NK60/35R | 58 | 68 | 0.6 | 0.379 | |
| 80 | 34 | 1 | 63 | 1.5 | 76500 | 140000 | 4300 | 6500 | NA5911 | 60 | 75 | 1 | 0.559 | |
| 80 | 45 | 1 | 63 | 1.5 | 94000 | 183000 | 4300 | 6500 | NA6911R | 60 | 75 | 1 | 0.726 | |
| 60 | 82 | 25 | 1 | 68 | 1 | 44500 | 89000 | 4000 | 6000 | NK68/25R+IR60x68x25 | 65 | 77 | 0.6 | 0.393 |
| 82 | 35 | 0.6 | 68 | 1 | 63000 | 139000 | 4000 | 6000 | NK68/35R+IR60x68x35 | 64 | 78 | 0.6 | 0.551 | |
| 85 | 25 | 1 | 68 | 1.5 | 61500 | 108000 | 4000 | 6000 | NA4912R | 65 | 80 | 1 | 0.427 | |
| 85 | 34 | 1 | 68 | 1.5 | 80500 | 153000 | 4000 | 6000 | NA5912 | 65 | 80 | 1 | 0.614 | |
| 85 | 45 | 1 | 68 | 1.5 | 95500 | 191000 | 4000 | 6000 | NA6912R | 65 | 80 | 1 | 0.758 | |
| 65 | 90 | 25 | 0.6 | 73 | 1 | 54000 | 100000 | 3700 | 5500 | NK73/25R+IR65x73x25 | 69 | 86 | 0.6 | 0.466 |
| 90 | 25 | 1 | 72 | 1.5 | 62500 | 112000 | 3700 | 5500 | NA4913R | 70 | 85 | 1 | 0.454 | |
| 90 | 34 | 1 | 72 | 1.5 | 84000 | 165000 | 3700 | 5500 | NA5913 | 70 | 85 | 1 | 0.655 | |
| 90 | 35 | 0.6 | 73 | 1 | 76500 | 156000 | 3700 | 5500 | NK73/35R+IR65x73x35 | 69 | 86 | 0.6 | 0.660 | |
| 90 | 45 | 1 | 72 | 1.5 | 97000 | 198000 | 3700 | 5500 | NA6913R | 70 | 85 | 1 | 0.779 | |
| 70 | 95 | 25 | 1 | 80 | 0.8 | 57000 | 119000 | 3300 | 5000 | NK80/25R+IR70x80x25 | 75 | 90 | 1 | 0.525 |
| 95 | 35 | 1 | 80 | 0.8 | 79500 | 184000 | 3300 | 5000 | NK80/35R+IR70x80x35 | 75 | 90 | 1 | 0.738 | |
| 100 | 30 | 1 | 80 | 1.5 | 85500 | 156000 | 3300 | 5000 | NA4914R | 75 | 95 | 1 | 0.727 | |
| 100 | 40 | 1 | 80 | 1.5 | 103000 | 187000 | 3300 | 5000 | NA5914 | 75 | 95 | 1 | 1.06 | |
| 100 | 54 | 1 | 80 | 1 | 130000 | 267000 | 3300 | 5000 | NA6914R | 75 | 95 | 1 | 1.34 | |
| Boundary dimensions | Basic load ratings | Limiting speeds | Bearing numbers | Abutment dimensions | Mass kg | |||||||||
| d | D | C | rs min | F | s | dynamic Cr (N) | static Cor (N) | grease | oil | da min | Da max | ras max | ||
| 75 | 105 | 25 | 1 | 85 | 1 | 70500 | 123000 | 3100 | 4700 | NK85/25R+IR75x85x25 | 80 | 100 | 1 | 0.642 |
| 105 | 30 | 1 | 85 | 1.5 | 87000 | 162000 | 3100 | 4700 | NA4915R | 80 | 100 | 1 | 0.776 | |
| 105 | 35 | 1 | 85 | 1 | 100000 | 193000 | 3100 | 4700 | NK85/35R+IR75x85x35 | 80 | 100 | 1 | 0.853 | |
| 105 | 40 | 1 | 85 | 1.5 | 109000 | 205000 | 3100 | 4700 | NA5915 | 80 | 100 | 1 | 1.13 | |
| 105 | 54 | 1 | 85 | 1 | 132000 | 277000 | 3100 | 4700 | NA6915R | 80 | 100 | 1 | 1.45 | |
| 80 | 110 | 25 | 1 | 90 | 1 | 71500 | 128000 | 2900 | 4400 | NK90/25R+IR80x90x25 | 85 | 105 | 1 | 0.680 |
| 110 | 30 | 1 | 90 | 1.5 | 90500 | 174000 | 2900 | 4400 | NA4916R | 85 | 105 | 1 | 0.820 | |
| 110 | 35 | 1 | 90 | 1 | 104000 | 208000 | 2900 | 4400 | NK90/35R+IR80x90x35 | 85 | 105 | 1 | 0.959 | |
| 110 | 40 | 1 | 90 | 1.5 | 115000 | 223000 | 2900 | 4400 | NA5916 | 85 | 105 | 1 | 1.15 | |
| 110 | 54 | 1 | 90 | 1.5 | 137000 | 298000 | 2900 | 4400 | NA6916R | 85 | 105 | 1 | 1.53 | |
| 85 | 115 | 26 | 1 | 95 | 1.5 | 74500 | 137000 | 2800 | 4200 | NK95/26R+IR85x95x26 | 90 | 110 | 1 | 0.644 |
| 115 | 36 | 1 | 95 | 1.5 | 108000 | 223000 | 2800 | 4200 | NK95/36R+IR85x95x36 | 90 | 110 | 1 | 1.05 | |
| 120 | 35 | 1.1 | 100 | 1 | 112000 | 237000 | 2700 | 4000 | NA4917R | 91.5 | 113.5 | 1 | 1.24 | |
| 120 | 46 | 1.1 | 100 | 1.5 | 137000 | 290000 | 2700 | 4000 | NA5917 | 91.5 | 113.5 | 1 | 1.76 | |
| 120 | 63 | 1.1 | 100 | 1 | 169000 | 400000 | 2700 | 4000 | NA6917R | 91.5 | 113.5 | 1 | 2.25 | |
| 90 | 120 | 26 | 1 | 100 | 1.5 | 73500 | 137000 | 2700 | 4000 | NK100/26R+IR90x100x26 | 95 | 115 | 1 | 0.781 |
| 120 | 36 | 1 | 100 | 1.5 | 107000 | 223000 | 2700 | 4000 | NK100/36R+IR90x100x36 | 95 | 115 | 1 | 1.09 | |
| 125 | 35 | 1.1 | 105 | 1 | 116000 | 252000 | 2500 | 3800 | NA4918R | 96.5 | 118.5 | 1 | 1.31 | |
| 125 | 46 | 1.1 | 105 | 1 | 143000 | 310000 | 2500 | 3800 | NA5918 | 96.5 | 118.5 | 1 | 1.84 | |
| 125 | 63 | 1.1 | 105 | 1 | 175000 | 425000 | 2500 | 3800 | NA6918R | 96.5 | 118.5 | 1 | 2.44 | |
| Boundary dimensions | Basic load ratings | Limiting speeds | Bearing numbers | Abutment dimensions | Mass kg | |||||||||
| d | D | C | rs min | F | s | dynamic Cr (N) | static Cor (N) | grease | oil | da min | Da max | ras max | ||
| 95 | 125 | 26 | 1 | 105 | 1.5 | 76500 | 147000 | 2500 | 3800 | NK105/26R+IR95x105x26 | 100 | 120 | 1 | 0.819 |
| 125 | 36 | 1 | 105 | 1.5 | 111000 | 238000 | 2500 | 3800 | NK105/36R+IR95x105x36 | 100 | 120 | 1 | 1.15 | |
| 130 | 35 | 1.1 | 110 | 1 | 118000 | 260000 | 2400 | 3600 | NA4919R | 101.5 | 123.5 | 1 | 1.36 | |
| 130 | 46 | 1.1 | 110 | 1 | 149000 | 335000 | 2400 | 3600 | NA5919 | 101.5 | 123.5 | 1 | 1.98 | |
| 130 | 63 | 1.1 | 110 | 1 | 177000 | 440000 | 2400 | 3600 | NA6919R | 101.5 | 123.5 | 1 | 2.63 | |
| 100 | 130 | 30 | 1.1 | 110 | 1.5 | 97500 | 204000 | 2400 | 3600 | K110/30R+IR100x110x30 | 106.5 | 123.5 | 1 | 0.990 |
| 130 | 40 | 1.1 | 110 | 2 | 129000 | 292000 | 2400 | 3600 | K110/40R+IR100x110x40 | 106.5 | 123.5 | 1 | 1.34 | |
| 140 | 40 | 1.1 | 115 | 2 | 127000 | 260000 | 2300 | 3500 | NA4920 | 106.5 | 133.5 | 1 | 1.93 | |
| 140 | 54 | 1.1 | 115 | 2 | 182000 | 395000 | 2300 | 3500 | NA5920 | 106.5 | 133.5 | 1 | 2.85 | |
| 110 | 140 | 30 | 1 | 120 | 0.8 | 93500 | 210000 | 2200 | 3300 | NA4822 | 115 | 135 | 1 | 1.11 |
| 140 | 40 | 1.1 | 120 | - | 113000 | 268000 | 2200 | 3300 | NK120/40+IR110x120x40 | 116.5 | 133.5 | 1 | 1.49 | |
| 150 | 40 | 1.1 | 125 | 2 | 131000 | 279000 | 2100 | 3200 | NA4922 | 116.5 | 143.5 | 1 | 2.08 | |
| 150 | 54 | 1.1 | 125 | 2 | 193000 | 440000 | 2100 | 3200 | NA5922 | 116.5 | 143.5 | 1 | 2.98 | |
| 120 | 150 | 30 | 1 | 130 | 0.8 | 99500 | 233000 | 2100 | 3100 | NA4824 | 125 | 145 | 1 | 1.17 |
| 150 | 40 | 1.1 | 130 | - | 116000 | 283000 | 2100 | 3100 | NK130/40+IR120x130x40 | 126.5 | 143.5 | 1 | 1.57 | |
| 165 | 45 | 1.1 | 135 | 2 | 180000 | 380000 | 2000 | 3000 | NA4924 | 126.5 | 158.5 | 1 | 2.84 | |
| 165 | 60 | 1.1 | 135 | 2 | 245000 | 525000 | 2000 | 3000 | NA5924 | 126.5 | 158.5 | 1 | 3.92 | |
| Boundary dimensions | Basic load ratings | Limiting speeds | Bearing numbers | Abutment dimensions | Mass kg | |||||||||
| d | D | C | rs min | F | s | dynamic Cr (N) | static Cor (N) | grease | oil | da min | Da max | ras max | ||
| 130 | 165 | 35 | 1.1 | 145 | 1 | 118000 | 305000 | 1900 | 2800 | NA4826 | 136.5 | 158.5 | 1 | 1.60 |
| 170 | 32 | 1.5 | 145 | - | 111000 | 238000 | 1900 | 2800 | NK145/32+IR130x145x32 | 138 | 162.5 | 1.5 | 1.90 | |
| 170 | 42 | 1.5 | 145 | - | 153000 | 360000 | 1900 | 2800 | NK145/42+IR130x145x42 | 138 | 162.5 | 1.5 | 2.54 | |
| 180 | 50 | 1.5 | 150 | 1.5 | 202000 | 455000 | 1800 | 2700 | NA4926 | 138 | 172 | 1.5 | 3.90 | |
| 180 | 67 | 1.5 | 150 | 1.5 | 294000 | 685000 | 1800 | 2700 | NA5926 | 138 | 172 | 1.5 | 5.60 | |
| 140 | 175 | 35 | 1.1 | 155 | 1 | 121000 | 315000 | 1700 | 2600 | NA4828 | 146.5 | 168.5 | 1 | 1.82 |
| 180 | 32 | 1.5 | 155 | - | 114000 | 252000 | 1700 | 2600 | NK155/32+IR140x155x32 | 148 | 172 | 1.5 | 2.04 | |
| 180 | 42 | 1.5 | 155 | - | 156000 | 380000 | 1700 | 2600 | 5/42+IR140x155x42 | 148 | 172 | 1.5 | 2.69 | |
| 190 | 50 | 1.5 | 160 | 1.5 | 209000 | 485000 | 1700 | 2500 | NA4928 | 148 | 182 | 1.5 | 4.05 | |
| 190 | 67 | 1.5 | 160 | 1.5 | 310000 | 755000 | 1700 | 2500 | NA5928 | 148 | 182 | 1.5 | 6.18 | |
| 150 | 190 | 32 | 1.5 | 165 | - | 117000 | 265000 | 1600 | 2400 | NK165/32+IR150x165x32 | 158 | 182 | 1.5 | 2.32 |
| 190 | 40 | 1.1 | 165 | 1.5 | 152000 | 390000 | 1600 | 2400 | NA4830 | 156.5 | 183.5 | 1 | 2.72 | |
| 190 | 42 | 1.5 | 165 | - | 160000 | 400000 | 1600 | 2400 | NK165/42+IR150x165x42 | 158 | 182 | 1.5 | 2.84 | |
| 210 | 60 | 2 | 170 | 1.5 | 261000 | 610000 | 1600 | 2400 | NA4930 | 159 | 201 | 2 | 5.33 | |
| 160 | 200 | 40 | 1.1 | 175 | 1.5 | 160000 | 425000 | 1500 | 2300 | NA4832 | 166.5 | 193.5 | 1 | 2.90 |
| 220 | 60 | 2 | 180 | 1.5 | 270000 | 650000 | 1500 | 2200 | NA4932 | 169 | 211 | 2 | 5.60 | |
| 170 | 215 | 45 | 1.1 | 185 | 1.5 | 185000 | 495000 | 1500 | 2200 | NA4834 | 176.5 | 208.5 | 1 | 3.99 |
| 230 | 60 | 2 | 190 | 1.5 | 279000 | 690000 | 1400 | 2100 | NA4934 | 179 | 221 | 2 | 5.87 | |
| 180 | 225 | 45 | 1.1 | 195 | 1.5 | 195000 | 540000 | 1400 | 2100 | NA4836 | 186.5 | 218.5 | 1 | 4.19 |
| 250 | 69 | 2 | 205 | 1.5 | 375000 | 890000 | 1300 | 2000 | NA4936 | 189 | 241 | 2 | 8.58 | |
| 190 | 240 | 50 | 1.5 | 210 | 1.5 | 227000 | 680000 | 1300 | 1900 | NA4838 | 198 | 232 | 1.5 | 5.62 |
| 260 | 69 | 2 | 215 | 1.5 | 390000 | 945000 | 1300 | 1900 | NA4938 | 199 | 251 | 2 | 8.68 | |
| 200 | 250 | 50 | 1.5 | 220 | 1.5 | 231000 | 705000 | 1200 | 1800 | NA4840 | 208 | 242 | 1.5 | 5.84 |
| 280 | 80 | 2.1 | 225 | 1.5 | 505000 | 1180000 | 1200 | 1800 | NA4940 | 211 | 269 | 2 | 12.2 | |
| Boundary dimensions | Basic load ratings | Limiting speeds | Bearing numbers | Abutment dimensions | Mass kg | |||||||||
| d | D | C | rs min | F | s | dynamic Cr (N) | static Cor (N) | grease | oil | da min | Da max | ras max | ||
| 220 | 270 | 50 | 1.5 | 240 | 1.5 | 244000 | 780000 | 1100 | 1700 | NA4844 | 228 | 262 | 1.5 | 6.37 |
| 300 | 80 | 2.1 | 245 | 1.5 | 525000 | 1270000 | 1100 | 1600 | NA4944 | 231 | 289 | 2 | 13.5 | |
| 240 | 300 | 60 | 2 | 265 | 2 | 360000 | 1080000 | 1000 | 1500 | NA4848 | 249 | 291 | 2 | 10.0 |
| 320 | 80 | 2.1 | 265 | 2 | 540000 | 1350000 | 1000 | 1500 | NA4948 | 251 | 309 | 2 | 14.7 | |
| 260 | 320 | 60 | 2 | 285 | 2 | 375000 | 1160000 | 950 | 1400 | NA4852 | 269 | 311 | 2 | 10.8 |
| 360 | 100 | 2.1 | 290 | 2 | 805000 | 1900000 | 950 | 1400 | NA4952 | 271 | 349 | 2 | 25.9 | |
| 280 | 350 | 69 | 2 | 305 | 2.5 | 455000 | 1300000 | 850 | 1300 | NA4856 | 289 | 341 | 2 | 15.5 |
| 380 | 100 | 2.1 | 310 | 2.5 | 835000 | 2030000 | 850 | 1300 | NA4956 | 291 | 369 | 2 | 27.5 | |
| 300 | 380 | 80 | 2.1 | 330 | 2 | 625000 | 1770000 | 800 | 1200 | NA4860 | 311 | 369 | 2 | 22.0 |
| 420 | 118 | 3 | 340 | 2 | 1080000 | 2640000 | 800 | 1200 | NA4960 | 313 | 407 | 2.5 | 42.5 | |
| 320 | 400 | 80 | 2.1 | 350 | 2 | 640000 | 1850000 | 750 | 1100 | NA4864 | 331 | 389 | 2 | 23.2 |
| 440 | 118 | 3 | 360 | 2 | 1120000 | 2820000 | 750 | 1100 | NA4964 | 333 | 427 | 2.5 | 45.2 | |
| 340 | 420 | 80 | 2.1 | 370 | 2 | 655000 | 1940000 | 750 | 1100 | NA4868 | 351 | 409 | 2 | 24.1 |
| 460 | 118 | 3 | 380 | 2 | 1160000 | 3000000 | 750 | 1100 | NA4968 | 353 | 447 | 2.5 | 47.3 | |
| 360 | 440 | 80 | 2.1 | 390 | 2 | 665000 | 2020000 | 650 | 1000 | NA4872 | 371 | 429 | 2 | 25.7 |
| 480 | 118 | 3 | 400 | 2 | 1200000 | 3200000 | 650 | 1000 | NA4972 | 373 | 467 | 2.5 | 49.0 | |
| 380 | 480 | 100 | 2.1 | 415 | 2 | 1000000 | 2840000 | 650 | 950 | NA4876 | 391 | 469 | 2 | 44.5 |
| 520 | 140 | 4 | 430 | 2 | 1400000 | 3750000 | 650 | 950 | NA4976 | 396 | 504 | 3 | 73.6 | |
| 400 | 540 | 140 | 4 | 450 | 2.5 | 1450000 | 4000000 | 600 | 900 | NA4980 | 416 | 524 | 3 | 76.6 |
| 420 | 560 | 140 | 4 | 470 | 2.5 | 1500000 | 4250000 | 550 | 850 | NA4984 | 436 | 544 | 3 | 89.8 |
| 440 | 600 | 160 | 4 | 490 | 2.5 | 1750000 | 4600000 | 550 | 800 | NA4988 | 456 | 584 | 3 | 123 |