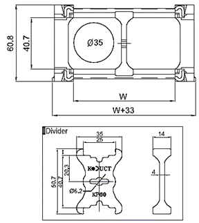
1. 구조와 명칭

- Plastic Cover Type
- Material : Engineering Plastic with glass fiber + α
- Speed : 5 m/sec
- Temperature : -25 ~ 125 °C

2. 폭 및 곡율 반경

내폭
( W )
곡률
( R )
내폭
( W )
곡률
( R )
내폭
( W )
곡률
( R )
내폭
( W )
곡률
( R )
내폭
( W )
곡률
( R )
내폭
( W )
곡률
( R )
65 100
125
150
200
80 100
125
150
200
100 100
125
150
200
120 100
125
150
200
160 100
125
150
200
200 100
125
150
200

3. End Bracket

Fixed Bracket Moving Bracket

3. Order Example

KP60 - W080 - R100 - □□□□L : MUFD
① Type ② Width ③Radius ④ Length ⑤ 취부 형태
①Type
KP60
② Width (2. 폭 및 곡율 반경 참조)
③ Radius (2. 폭 및 곡율 반경 참조)
④ Length
주의 : 주문 길이는 Pitch 의 배수 일 것. (소수점 삭제) L = (LS / 2) + π R + 4 P , 여기서 4 P : Clearance Length , P : Pitch (62.5 mm)
⑤ 취부 형태