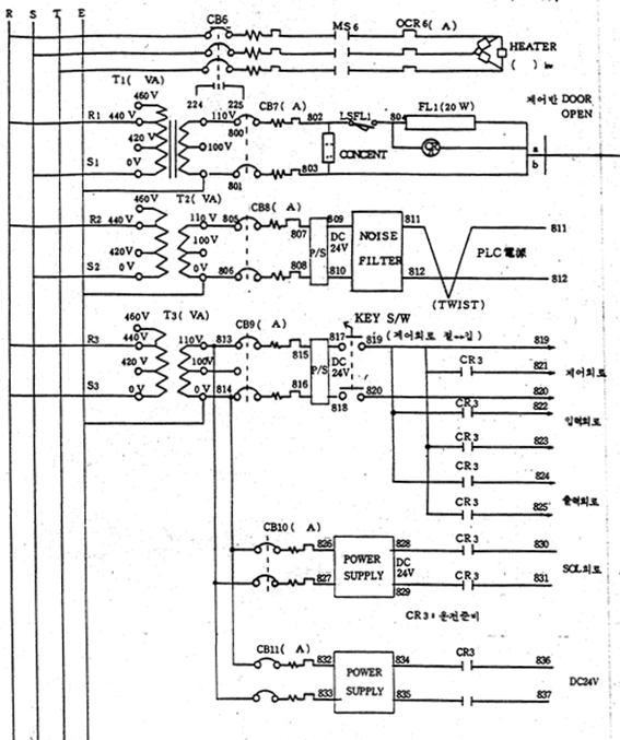
동력 회로