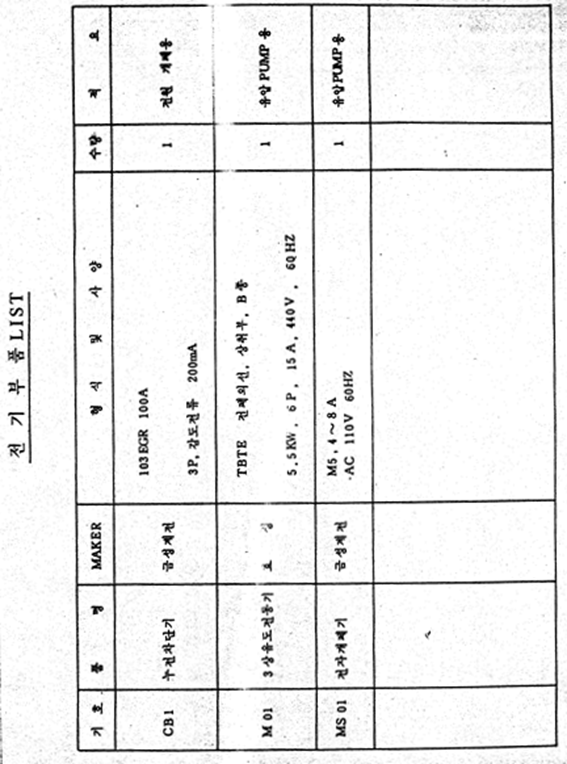
부품 리스트