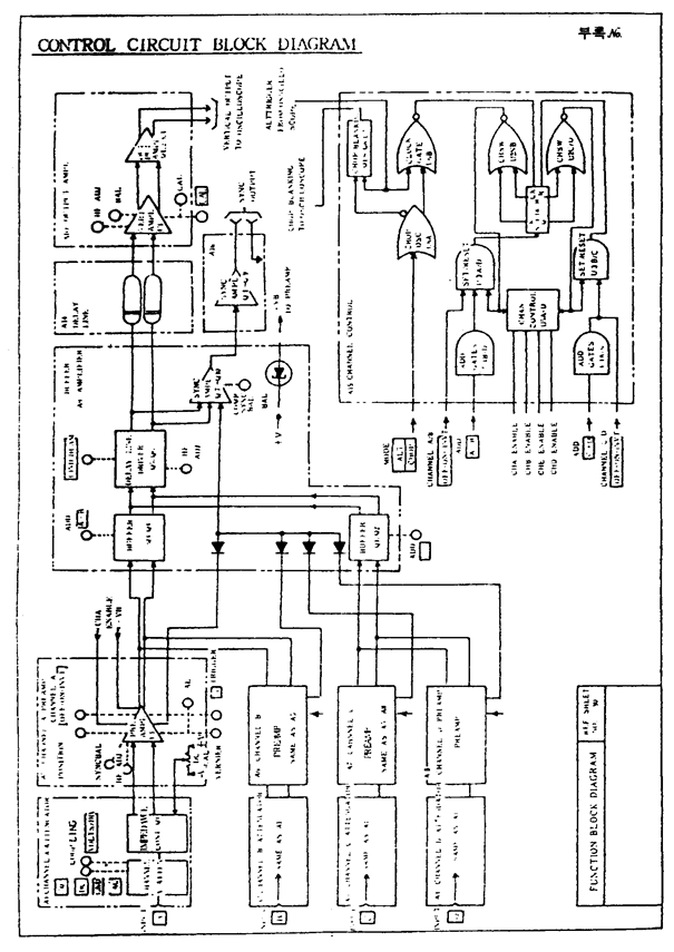
전자회로 블록도