| 분류 | Code | 항목 |
| 베어링 최소축경 | U60-01 | 가공헤드 의 주축 베어링은 테이퍼 롤러 및 앵귤러 콘택트 볼 베어링을 |
| U60-02 | 주축의 최소경은 ø15 이상으로 실 가공경의 1.5 배 이상을 확보할 것. |
|
| 스핀들 축간 거리 | U60-03 | 스핀들 축간 거리는 34.5 mm 이상일 것. |
| 주축 아이들 축 너트 풀림 대책 | U60-04 | 베어링 체결 너트와 풀리 / 기어의 체결너트를 분리 할 것.
|
| U60-05 | 베어링의 체결방법은 다음과 같이 한다.
|
|
| U60-06 | 특히 정역전 하는 축은(1)을 사용 할 것. |
| 분류 | Code | 항목 |
| 주축 아이들 축 너트 풀림 대책 | U60-07 | 다축 헤드에서 여유공간이 부족한 경우는 예외로서 아래의 구조로도 가능하다.
|
| 절삭유 혼입 방지 및 누유 대책 | U60-08 | 스핀들 전면 에어 커튼 설치할 것. |
| U60-09 | 약 5축 마다 또는 다축 헤드 마다 각각 감압 밸브를 붙여 에어 양을 조정 할 것. | |
| U60-10 | 에어 커튼 공압 공급구에서 가장 먼곳에 확인용 압력계를 달고, |
|
| U60-11 | 조립후 수몰에 의한 리크 테스트를 할 것. | |
| U60-12 | 윤활유 펌프의 흡입구에는 이물질 혼입을 방지하기 위해 필터를 취부할 것. | |
| U60-13 | 하면에 침전된 이물질 흡입을 방지하기 위해 흡입구는 하면에서 충분한 | |
| U60-14 | 막힘을 방지하기 위해 윤활 구멍은 ø6이상, 배관은 ø8 이상을 사용할 것. | |
| U60-15 | 헤드 내부에 절삭유를 직접 분사하지 않도록 설계할 것. | |
| U60-16 | 라비린스 실 적용시 절삭유 구멍은 직경 ø5로 하며 2곳 이상 설치할 것. | |
| 오일-실 마모 대책 | U60-17 | 오일-실 접촉부는 세라믹 코팅 하고, 플런저 연삭으로 면조도 1~3μ Rz로 할 것. |
| U60-18 | 오일-실은 전면 외부에서 교환 가능하고 교환을 쉽게 하기 위해 오일-실 |
|
| U60-19 | 칩, 절삭유의 직접 분사를 받지 않는 구조로 할 것. | |
오일-실 조립시에 립을 손상 시키지 않도록 축의 선단 취부 부분은 면취할 것. ![]() |
| 분류 | Code | 항목 |
| 오일-실 마모 대책 | U60-20 | 오일-실의 조립방법은 1), 2)와 같이 할 것. |
| 기어 / 축 손상 | U60-21 | 기어는 절삭저항에 견디는 강도를 가질 것.
|
| U60-22 | 축이 응력집중에 의해 피로파괴 되는 것을 방지하기 위해서 모서리부는
|
|
| U60-23 | 축/기어의 재질은 SCM435 (조질 HB269~331) 또는 | |
| U60-24 | 모듈은 2 이상, 압력각은 20 도로 할 것. | |
| U60-25 | 모든 기어에 관한 잇수, 모듈, 압력각, 비틀림각, 전위량을 도면에 명시 할 것. | |
| U60-26 | 단속절삭을 하는 곳은 헬리컬 기어를 사용할 것. |
| 분류 | Code | 항목 |
| 모터 취부요령 | U60-27 | 플랜지 모터 사용시는 아래 사항에 유의 할 것.
|
| U60-28 | 만약 플랜지 모터를 사용할 수 없는 경우에는 모터 냉각용 팬의 흡입구가
|
|
| U60-29 | 밀링 및 보링 헤드의 모터는 진동계급 V5 를 표준으로 한다.(진폭치 5μ 이하) | |
| 벨트 교환 | U60-30 | 벨트의 커버에 회전방향, 형식 및 수량을 명기 한다. |
| U60-31 | 기계를 분해하지 않고도 벨트 조정 및 교환이 가능하도록 한다. | |
| 윤활 | U60-32 | 트로코이드 펌프에 의해 확실히 공급 되도록 한다. |
| U60-33 | 오일 미스트 또는 오일 에어 윤활의 경우는 환경대책을 하여 승인을 득할 것. | |
| U60-34 | 윤활유량 확인용 레벨 게이지를 부착할 것. | |
| U60-35 | 윤활유가 순환하고 있는 것을 알 수 있도록 게이지를 설치할 것. | |
| U60-36 | 단축의 스핀들에 그리스로 윤활을 하는 경우는 그리스 보충이 가능할 것 |
| 분류 | Code | 항목 |
| 오일 레벨 게이지 취부 요령 | U60-37 | 아래 형식에 상당하는 제품을 사용할 것.
|
| U60-38 | 교환을 필요로 할 때는 드라이버로 옆에서 끼워 열수 있을 것. ![]() |
|
| U60-39 | 오일 레벨은 설비가 정지하여 오일이 완전히 정지 하고 있는 상태에서 | |
| U60-40 | 주유구가 있는 방향은 보기 쉬운 위치에 설치하고, | |
| U60-41 | 상 하한의 여유가 큰 것은 상하 2 개소에 부착할 것. | |
| 오일 시그널 | U60-42 | 윤활유 펌프가 부착된 것을 사용하는 경우는 분수식을 병용하여 보기 쉬운
|
| 분류 | Code | 항목 |
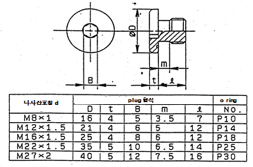
| 급유구 취부요령 | U60-43 | 공기 순환형 급유구의 공기 순환 구멍은 ø6 정도로 하고 그 외는 막아서
|
| U60-44 | 급유구로 절삭유가 침입하지 않도록 절삭유가 튀지 않는 위치에 부착하거나 윤활유의 펌프 작동에 의한 유면 저하, 온도 차에 의한 공기 순환 작용에 |
|
| U60-45 | 캡은 황색도장을 할 것. | |
| U60-46 | 급유구의 주변에 배관을 비롯한 작업성에 나쁜 영향을 주는 부품은 | |
| 오일 드레인 취부 요령 | U60-47 | 드레인 플러그는 아래와 같이 가능한 큰 지름의 것을 사용하고
|
| 분류 | Code | 항목 |
| 오일 드레인 취부 요령 | U60-48 | 오일 교환 및 수리시에 배유구에서 오일을 완전히 회수할 수 있고, ![]() |
| U60-49 | 작업자가 보기 쉽고 작업이 좋은 장소에 부착할 것. |
|
| U60-50 | 단으로 나뉘어져 있는 헤드는 드레인 구멍을 복수로 할 것. | |
| 매달기 기구 | U60-51 | 크레인에 의한 탈착 작업을 쉽게 하기 위해서 상면 4 모서리에 아이 볼트를 |
| U60-52 | 아이 볼트의 위치는 중심을 고려하고 수평으로 들어 내릴 수 있는 위치에 | |
| 탭 헤드 | U60-53 | 탭 헤드의 회전과 이송의 동기는 NC 동기제어 방식을 원칙으로 한다. |
| U60-54 | 마스터 스크루 방식을 사용하는 경우는 |
|
| 드릴 리머 | U60-55 | 공구 부시 없는 드릴 / 리머를 사용하는 경우는 구멍 위치 정도를 확보하기 위해서 |
| 스핀들 발열 | U60-56 | 연속사용 상태에서 다축 헤드 내부 윤활유의 온도는 외기온도 +15 °C 이하로 할 것. |
| 분류 | Code | 항목 |
| 번호 각인 | U60-57 | 다축 헤드에는 스핀들, 샤프트, 기어의 번호를 정하고 스핀들의 가까운 곳에 조립도 |
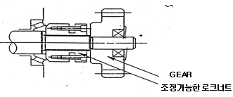
| 기 타 | U60-58 | 스핀들의 예압 조정용 로크 너트는 기어 박스 외부에서 조정 가능한 구조로 할 것. |
| U60-59 | 수직 또는 경사진 다축 터릿 헤드는 절삭유가 고이지 않는 구조로 제작 할 것. | |
| U60-60 | 고속 스핀들을 사용할 경우 예비 1SET 를 제공하고 분해 조립의 교육을 할 것. |
절삭유 침입방지대책 참고도
