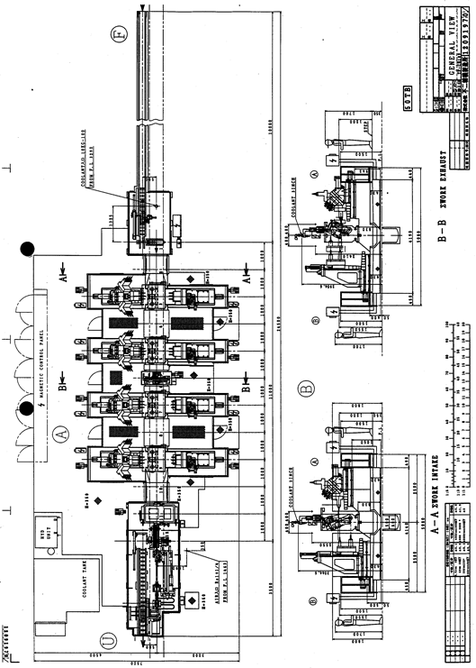
배치도 (LAY-OUT)

부록 NO.1