CF형(보급형 ,원통외륜) , CF-M형(스테인리스 타입)
CF-R형(보급형 ,구면외륜) , CF-MR형(스테인리스 타입)
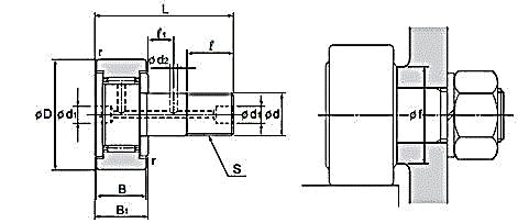
| 호칭 형번 | 주요치수 | |||||||||||
|---|---|---|---|---|---|---|---|---|---|---|---|---|
| 스터드경 d | 외경 D | 나사 S | 외륜폭 B | B1 | 전장 L | d1 | d2 | ℓ | ℓ1 | r | 어깨치수 f (최소) | |
| CF 5 | 5 | 13 | M5x0.8 | 9 | 10 | 23 | 3.1 | - | 7.5 | - | 0.5 | 9.7 |
| CF 6 | 6 | 16 | M6x1 | 11 | 12 | 28 | 4 | - | 9 | - | 0.5 | 11 |
| CF 8 | 8 | 19 | M8x1.25 | 11 | 12 | 32 | 4 | - | 11 | - | 0.5 | 13 |
| CF 10 | 10 | 22 | M10x1.25 | 12 | 13 | 36 | 4 | - | 13 | - | 1 | 15 |
| CF 10-1 | 10 | 26 | M10x1.25 | 12 | 13 | 36 | 4 | - | 13 | - | 1 | 15 |
| CF 12 | 12 | 30 | M12x1.5 | 14 | 15 | 40 | 6 | 3 | 14 | 6 | 1.5 | 20 |
| CF 12-1 | 12 | 32 | M12x1.5 | 14 | 15 | 40 | 6 | 3 | 14 | 6 | 1.5 | 20 |
| CF 16 | 16 | 35 | M16x1.5 | 18 | 19.5 | 52 | 6 | 3 | 18 | 8 | 1.5 | 24 |
| CF 18 | 18 | 40 | M18x1.5 | 20 | 21.5 | 58 | 6 | 3 | 20 | 8 | 1.5 | 26 |
| CF 20 | 20 | 52 | M20x1.5 | 24 | 25.5 | 66 | 8 | 4 | 22 | 9 | 1.5 | 36 |
| CF 20-1 | 20 | 47 | M20x1.5 | 24 | 25.5 | 66 | 8 | 4 | 22 | 9 | 1.5 | 36 |
| CF 24 | 24 | 62 | M24x1.5 | 29 | 30.5 | 80 | 8 | 4 | 25 | 11 | 1.5 | 40 |
| CF 24-1 | 24 | 72 | M24x1.5 | 29 | 30.5 | 80 | 8 | 4 | 25 | 11 | 1.5 | 40 |
| CF 30 | 30 | 80 | M30x1.5 | 35 | 37 | 100 | 8 | 4 | 32 | 15 | 2 | 46 |
| CF 30-1 | 30 | 85 | M30x1.5 | 35 | 37 | 100 | 8 | 4 | 32 | 15 | 2 | 46 |
| CF 30-2 | 30 | 90 | M30x1.5 | 35 | 37 | 100 | 8 | 4 | 32 | 15 | 2 | 46 |
씰의 사용온도는 80℃ 이하 이다.
"*"표시부의 그리스 급유구는 머리부에만 가공되어 있다.
| 호칭 형번 | 기본정격하중 | 최대 허용하중 Fo kN |
트랙 부하용량 | 한계회전수 | 질량 | ||||||
|---|---|---|---|---|---|---|---|---|---|---|---|
| 케이지 부착 | 총니들 | 원통형 외부링 kN |
구면 외부링 kN | 케이지 부착 rpm |
총니들 rpm | 케이지 부착 g | 총 니들 | ||||
| C kN | Co kN | C kN | Co kN | ||||||||
| CF 5 | 3.14 | 2.77 | - | - | 1.42 | 2.25 | 0.53 | 29000 | - | 10.5 | - |
| CF 6 | 3.59 | 3.58 | 6.94 | 8.5 | 2.11 | 3.43 | 1.08 | 25000 | 11000 | 18.5 | 19 |
| CF 8 | 4.17 | 4.65 | 8.13 | 11.2 | 4.73 | 4.02 | 1.37 | 20000 | 8700 | 28.5 | 29 |
| CF 10 | 5.33 | 6.78 | 9.42 | 14.3 | 5.81 | 4.7 | 1.67 | 17000 | 7200 | 45 | 46 |
| CF 10-1 | 5.33 | 6.78 | 9.42 | 14.3 | 5.81 | 5.49 | 2.06 | 17000 | 7200 | 60 | 61 |
| CF 12 | 7.87 | 9.79 | 13.4 | 19.8 | 9.37 | 7.06 | 2.45 | 14000 | 5800 | 95 | 97 |
| CF 12-1 | 7.87 | 9.79 | 13.4 | 19.8 | 9.37 | 7.45 | 2.74 | 14000 | 5800 | 105 | 107 |
| CF 16 | 12 | 18.3 | 20.6 | 37.6 | 17.3 | 11.2 | 3.14 | 10000 | 4500 | 170 | 173 |
| CF 18 | 14.7 | 25.2 | 25.2 | 51.3 | 26.1 | 14.4 | 3.72 | 8500 | 3800 | 250 | 255 |
| CF 20 | 20.7 | 34.8 | 33.2 | 64.8 | 32.1 | 23.2 | 8.23 | 7000 | 3400 | 460 | 465 |
| CF 20-1 | 20.7 | 34.8 | 33.2 | 64.8 | 32.1 | 21 | 7.15 | 7000 | 3400 | 385 | 390 |
| CF 24 | 30.6 | 53.2 | 46.7 | 92.9 | 49.5 | 34.2 | 10.5 | 6500 | 2900 | 815 | 820 |
| CF 24-1 | 30.6 | 53.2 | 46.7 | 92.9 | 49.5 | 39.8 | 12.9 | 6500 | 2900 | 1140 | 1140 |
| CF 30 | 45.4 | 87.6 | 67.6 | 145 | 73.7 | 52.6 | 14.9 | 5000 | 2300 | 1870 | 1870 |
| CF 30-1 | 45.4 | 87.6 | 67.6 | 145 | 73.7 | 56 | 16.1 | 5000 | 2300 | 2030 | 2030 |
| CF 30-2 | 45.4 | 87.6 | 67.6 | 145 | 73.7 | 59.3 | 17.3 | 5000 | 2300 | 2220 | 2220 |
"*"표시부는 씰이 없고 그리스 윤활에 적용한다.
오일윤활의 경우는 이 수치의130%까지, 씰부착의 경우는 이 수치의 70% 까지 허용할 수 있다.
| CF6 | V | M | UU | R | - | N |
|---|---|---|---|---|---|---|
| 호칭 번호 | "무기호": 케이지 부착 V : 총니들 | "무기호": 탄소강 M : 스테인리스 강 | "무기호": 씰 없음 "UU": 씰 부착 | "무기호": 원통외륜 R :구면 외륜 | "무기호": 표준부속품 N : 전용 그리스 니플 |