| 호칭 형번 | 주요치수 | |||||||||||
|---|---|---|---|---|---|---|---|---|---|---|---|---|
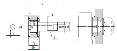
| 스터드경 d | 외경 D | 나사 S | 외륜폭 B | B1 | 전장 L | d1 | ℓ | 편심량 e | H | r | 어깨치수 f(최소) | |
| CFH 6-A | 6 | 16 | M6x1 | 11 | 12 | 28 | 9 | 0.25 | 3 | 0.5 | 11 | |
| CFH 8-A | 8 | 19 | M8x1.25 | 11 | 12 | 32 | 11 | 0.25 | 4 | 0.5 | 13 | |
| CFH 10-A | 10 | 22 | M10x1.25 | 12 | 13 | 36 | 13 | 0.3 | 5 | 1 | 15 | |
| CFH 10-1-A | 10 | 26 | M10x1.25 | 12 | 13 | 36 | 13 | 0.3 | 5 | 1 | 15 | |
| CFH 12-A | 12 | 30 | M12x1.5 | 14 | 15 | 40 | 6 | 14 | 0.4 | 6 | 1.5 | 20 |
| CFH 12-1-A | 12 | 32 | M12x1.5 | 14 | 15 | 40 | 6 | 14 | 0.4 | 6 | 1.5 | 20 |
| CFH 16-A | 16 | 35 | M16x1.5 | 18 | 19.5 | 52 | 6 | 18 | 0.5 | 6 | 1.5 | 24 |
| CFH 18-A | 18 | 40 | M18x1.5 | 20 | 21.5 | 58 | 6 | 20 | 0.6 | 6 | 1.5 | 26 |
| CFH 20-A | 20 | 52 | M20x1.5 | 24 | 25.5 | 66 | 8 | 22 | 0.7 | 8 | 1.5 | 36 |
| CFH 20-1-A | 20 | 47 | M20x1.5 | 24 | 25.5 | 66 | 8 | 22 | 0.7 | 8 | 1.5 | 36 |
| CFH 24-A | 24 | 62 | M24x1.5 | 29 | 30.5 | 80 | 8 | 25 | 0.8 | 8 | 1.5 | 40 |
| CFH 24-1-A | 24 | 72 | M24x1.5 | 29 | 30.5 | 80 | 8 | 25 | 0.8 | 8 | 1.5 | 40 |
| CFH 30-A | 30 | 80 | M30x1.5 | 35 | 37 | 100 | 8 | 32 | 1 | 8 | 2 | 46 |
| CFH 30-1-A | 30 | 85 | M30x1.5 | 35 | 37 | 100 | 8 | 32 | 1 | 8 | 2 | 46 |
| CFH 30-2-A | 30 | 90 | M30x1.5 | 35 | 37 | 100 | 8 | 32 | 1 | 8 | 2 | 46 |
1. 머리부에 그리스 급유구 가공이된 드라이브홈 부착형도 제작한다.
(드라이브 부착형은 형번 마지막에 A기호는 붙이지 않습니다.)
2. 씰의 사용온도는 80 ˚ C이하 이다.
3. * 표시부 의그리스 급유구는 부착되어있지 않으므로 재급유 할 수 없습니다.
| 호칭 형번 | 기본정격하중 | 최대 허용하중 kN | 트랙 부하용량 | 한계회전수 | 질량 | ||||||
|---|---|---|---|---|---|---|---|---|---|---|---|
| 케이지 부착 | 총니들 | 원통형 외부링 kN | 구면 외부링 kN | 케이지 부착 rpm | 총니들 rpm | 케이지 부착 g | 총 니들 | ||||
| C kN | Co kN | C kN | Co kN | ||||||||
| CFH 6-A | 3.59 | 3.58 | 6.94 | 8.5 | 2.11 | 3.43 | 1.08 | 25000 | 11000 | 18.5 | 19 |
| CFH 8-A | 4.17 | 4.65 | 8.13 | 11.2 | 4.73 | 4.02 | 1.37 | 20000 | 8700 | 28.5 | 29 |
| CFH 10-A | 5.33 | 6.78 | 9.42 | 14.3 | 5.81 | 4.7 | 1.67 | 17000 | 7200 | 45 | 46 |
| CFH 10-1-A | 5.33 | 6.78 | 9.42 | 14.3 | 5.81 | 5.49 | 2.06 | 17000 | 7200 | 60 | 61 |
| CFH 12-A | 7.87 | 9.79 | 13.4 | 19.8 | 9.37 | 7.06 | 2.45 | 14000 | 5800 | 95 | 97 |
| CFH 12-1-A | 7.87 | 9.79 | 13.4 | 19.8 | 9.37 | 7.45 | 2.74 | 14000 | 5800 | 105 | 107 |
| CFH 16-A | 12 | 18.3 | 20.6 | 37.6 | 17.3 | 11.2 | 3.14 | 10000 | 4500 | 170 | 173 |
| CFH 18-A | 14.7 | 25.2 | 25.2 | 51.3 | 26.1 | 14.4 | 3.72 | 8500 | 3800 | 250 | 255 |
| CFH 20-A | 20.7 | 34.8 | 33.2 | 64.8 | 32.1 | 23.2 | 8.23 | 7000 | 3400 | 460 | 465 |
| CFH 20-1-A | 20.7 | 34.8 | 33.2 | 64.8 | 32.1 | 21 | 7.15 | 7000 | 3400 | 385 | 390 |
| CFH 24-A | 30.6 | 53.2 | 46.7 | 92.9 | 49.5 | 34.2 | 10.5 | 6500 | 2900 | 815 | 820 |
| CFH 24-1-A | 30.6 | 53.2 | 46.7 | 92.9 | 49.5 | 39.8 | 12.9 | 6500 | 2900 | 1140 | 1140 |
| CFH 30-A | 45.4 | 87.6 | 67.6 | 145 | 73.7 | 52.6 | 14.9 | 5000 | 2300 | 1870 | 1870 |
| CFH 30-1-A | 45.4 | 87.6 | 67.6 | 145 | 73.7 | 56 | 16.1 | 5000 | 2300 | 2030 | 2030 |
| CFH 30-2-A | 45.4 | 87.6 | 67.6 | 145 | 73.7 | 59.3 | 17.3 | 5000 | 2300 | 2220 | 2220 |
"*"표시부는 씰이 없고 그리스 윤활에 적용한다.
오일윤활의 경우는 이 수치의130%까지, 씰부착의 경우는 이 수치의 70%까지 허용할 수 있다.
편심 타입(CFH형) 의 기타 종류
- 스터드 두부측과 나사부측에 배관용 탭 가공을 한 타입(CFHT형)
- 스터드 두부측에 육각구멍을 가공한 타입(CFHT-A형)
-스터드 나사부측에 육각구멍을 가공한 타입(CFHT-B형) (스터드경 12 이상에 적용한다.)
주) CF24 이상의 육각구멍붙이 캠플로워(기호-A, SUS제는 제외) 는 육각구멍 하부와 급유구멍( d1, d2) 을 관통하는 관통구멍에
밀폐마개를 압입해서 육각구멍으로부터 그리스가 새는 것을 방지하는 구조로 되어 있다.
급유할 때에 과대한 압력에 의해서 육각구멍 하부로부터 밀폐마개가 떨어지지 않도록 주의해 주십시오
| 사양 | CFh14-A | V | M | UU | R | - | A |
|---|---|---|---|---|---|---|---|
| 설명 | ① | ② | ③ | ④ | ⑤ | ⑥ |
① "호칭형번"
② "케이지 "
"무기호": 케이지 부착 , "V": 총니들
③ "재질"
"무기호": 탄소강 ,"M": 테인리스
④ "밀봉 방식 "
"무기호": 씰 없음 , "UU": 씰 부착
⑤ "외륜"
"무기호": 원통외륜, "R": 구면 외륜
⑥ "스터드"
"A": 육각구멍 부착