Maker : THK
| 호칭 형번 | 주요치수 | |||||||||||
|---|---|---|---|---|---|---|---|---|---|---|---|---|
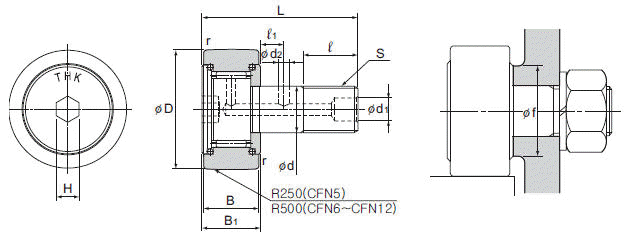
| 스터드경 d | 외경 D | 나사 S | 외륜폭 B | B1 | 전장 L | d1 | d2 | ℓ1 | H | r | 어깨치수 f(최소) | |
| CFN 5-A | 5 | 13 | M5x0.8 | 9 | 10 | 23 | * | * | - | 3 | 0.5 | 10 |
| CFN 6-A | 6 | 16 | M6x1 | 11 | 12 | 28 | * | * | - | 3 | 0.5 | 12 |
| CFN 8-A | 8 | 19 | M8x1.25 | 11 | 12 | 32 | * | * | - | 4 | 0.5 | 14 |
| CFN 10-A | 10 | 22 | M10x1.25 | 12 | 13 | 36 | * | * | - | 5 | 1 | 16.5 |
| CFN 12-A | 12 | 30 | M12x1.5 | 14 | 15 | 40 | 6 | 3 | 6 | 6 | 1.5 | 21.5 |
"*"표시는 그리스 급유구는 부착되어있지 않으므로 재급유 할 수 없습니다.
| 호칭 형번 | 기본정격하중 | 축방향 허용하중 N | 최대 허용하중 Fo kN | 트랙 부하용량 | 한계 회전수 | 질량 | |
| C kN | Co kN | ||||||
|---|---|---|---|---|---|---|---|
| CFN 5-A | 3.14 | 2.77 | 160 | 1.42 | 0.53 | 29000 | 10.5 |
| CFN 6-A | 3.59 | 3.58 | 250 | 2.11 | 1.08 | 25000 | 18.5 |
| CFN 8-A | 4.17 | 4.65 | 290 | 4.73 | 1.37 | 20000 | 28.5 |
| CFN 10-A | 5.33 | 6.78 | 400 | 5.81 | 1.67 | 17000 | 45 |
| CFN 12-A | 7.87 | 9.79 | 680 | 9.37 | 2.45 | 14000 | 95 |
"*"표시는 씰이 없고 그리스 윤활에 적용한다.
오일윤활의 경우는 이수치의130%까지 씰부착의 경우는 이 수치의 70%까지 허용할 수 있다.
| 사양 | CFN12 | R | - | A |
|---|---|---|---|---|
| 설명 | ① | ② | ③ |
① "호칭형번"
② "외륜"
"무기호": 원통외륜, "R": 구면 외륜
③ "스터드"
"A": 육각구멍 부착