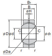
| 호칭 형번 | 주요 치수 | 볼 경 Da mm | 허용 경사각 | 정부하 용량 레이디얼 Cs (N) | 질량 G | ||||||||
|---|---|---|---|---|---|---|---|---|---|---|---|---|---|
| 내경 d H7 | 외경 D h6 | 외륜 폭 B ±0.1 | 내륜폭 B1 | d1 | H | C,r | α1 ° | α2 ° | α3 & | ||||
| PB 5 | 5 | 16 | 6 | 8 | 7.7 | 1 | 0.3 | 11.112 | 8 | 13 | 30 | 7840 | 8.5 |
| PB 6 | 6 | 18 | 6.75 | 9 | 9 | 1 | 0.3 | 12.7 | 8 | 13 | 30 | 9800 | 13 |
| PB 8 | 8 | 22 | 9 | 12 | 10.4 | 1 | 0.5 | 15.875 | 8 | 14 | 25 | 16700 | 24 |
| PB 10 | 10 | 26 | 10.5 | 14 | 12.9 | 1.2 | 0.5 | 19.05 | 8 | 14 | 25 | 23500 | 39 |
| PB 12 | 12 | 30 | 12 | 16 | 15.4 | 1.5 | 0.5 | 22.225 | 8 | 13 | 25 | 31400 | 58 |
| PB 14 | 14 | 34 | 13.5 | 19 | 16.9 | 1.5 | 0.7 | 25.4 | 10 | 16 | 24 | 40200 | 84 |
| PB 16 | 16 | 38 | 15 | 21 | 19.4 | 2.5 | 0.7 | 28.575 | 9 | 15 | 24 | 50000 | 111 |
| PB 18 | 18 | 42 | 16.5 | 23 | 21.9 | 2.5 | 0.7 | 31.75 | 9 | 15 | 24 | 61800 | 160 |
| PB 20 | 20 | 46 | 18 | 25 | 24.4 | 2.5 | 0.7 | 34.925 | 9 | 15 | 24 | 73500 | 210 |
| PB 22 | 22 | 50 | 20 | 28 | 25.8 | 2.5 | 0.7 | 38.1 | 10 | 15 | 23 | 88200 | 265 |
| PB 25 | 25 | 56 | 22 | 31 | 29.6 | 3 | 0.8 | 42.862 | 9 | 15 | 23 | 111000 | 390 |
| PB 30 | 30 | 66 | 25 | 37 | 34.8 | 3 | 0.8 | 50.8 | 10 | 17 | 23 | 148000 | 610 |
| 사용조건 | 축 | 하우징 | |
| 내륜 회전 하중 | 보통하중 | m6 | H7 |
| 방향부정하중 | n6 | ||
| 외륜 회전 하중 | 보통하중 | h7 | M7 |
| 방향부정하중 | k6 | ||