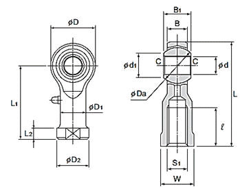
| 호칭형번 | 외형 치수 | 나사 S1 JIS 2 급 | 홀더 치수 | 그리스 니플 | 구면내륜 치수 | |||||||||||
|---|---|---|---|---|---|---|---|---|---|---|---|---|---|---|---|---|
| 길이 L | 경 D | 폭 B1 | W | D1 | D2 | B ±0.1 | L1 | L2 | ℓ | d H7 | 볼 경 Da mm | d1 | C | |||
| PHS 5 | 35 | 16 | 8 | M5x0.8 | 9 | 9 | 11 | 6 | 27 | 4 | 14 | PB107 | 5 | 11.112 | 7.7 | |
| PHS 6 | 39 | 18 | 9 | M6x1 | 11 | 10 | 13 | 6.75 | 30 | 5 | 14 | PB107 | 6 | 12.7 | 9 | |
| PHS 8 | 47 | 22 | 12 | M8x1.25 | 14 | 12.5 | 16 | 9 | 36 | 5 | 17 | PB107 | 8 | 15.875 | 10.4 | |
| PHS 10 | 56 | 26 | 14 | M10x1.5 | 17 | 15 | 19 | 10.5 | 43 | 6.5 | 21 | PB107 | 10 | 19.05 | 12.9 | |
| PHS 12 | 65 | 30 | 16 | M12x1.75 | 19 | 17.5 | 22 | 12 | 50 | 6.5 | 24 | PB107 | 12 | 22.225 | 15.4 | |
| PHS 14 | 74 | 34 | 19 | M14x2 | 22 | 20 | 25 | 13.5 | 57 | 8 | 27 | PB107 | 14 | 25.4 | 16.9 | |
| PHS 16 | 83 | 38 | 21 | M16x2 | 22 | 22 | 27 | 15 | 64 | 8 | 33 | PB107 | 16 | 28.575 | 19.4 | |
| PHS 18 | 92 | 42 | 23 | M18x1.5 | 27 | 25 | 31 | 16.5 | 71 | 10 | 36 | PB107 | 18 | 31.75 | 21.9 | |
| PHS 20 | 100 | 46 | 25 | M20x1.5 | 30 | 27.5 | 34 | 18 | 77 | 10 | 40 | PB107 | 20 | 34.925 | 24.4 | |
| PHS 22 | 109 | 50 | 28 | M22x1.5 | 32 | 30 | 37 | 20 | 84 | 12 | 43 | PB107 | 22 | 38.1 | 25.8 | |
| PHS 25 | 124 | 60 | 31 | M24x2 | 36 | 33.5 | 42 | 22 | 94 | 12 | 48 | A-M6F | 25 | 42.862 | 29.6 | |
| PHS 30 | 145 | 70 | 37 | M30x2 | 41 | 40 | 50 | 25 | 110 | 15 | 56 | A-M6F | 30 | 50.8 | 34.8 | |
| 호칭 형번 | 허용 경사각 | 정부하 용량 레이디얼 Cs (N) | 질량 G | ||
|---|---|---|---|---|---|
| α1 ° | α2 ° | α3 & | |||
| PHS 5 | 8 | 13 | 30 | 5590 | 16.5 |
| PHS 6 | 8 | 13 | 30 | 6860 | 25 |
| PHS 8 | 8 | 14 | 25 | 9800 | 43 |
| PHS 10 | 8 | 14 | 25 | 13200 | 72 |
| PHS 12 | 8 | 13 | 25 | 16700 | 107 |
| PHS 14 | 10 | 16 | 24 | 20600 | 160 |
| PHS 16 | 9 | 15 | 24 | 25000 | 210 |
| PHS 18 | 9 | 15 | 24 | 29400 | 295 |
| PHS 20 | 9 | 15 | 24 | 34300 | 380 |
| PHS 22 | 10 | 15 | 23 | 41200 | 490 |
| PHS 25 | 9 | 15 | 23 | 72500 | 750 |
| PHS 30 | 10 | 17 | 23 | 92200 | 1130 |
보통하중 : h7 , 방향부정 하중 : p6
좌나사의 식별 : 암나사가 좌나사인 경우 "L"을 붙여 나타냅니다. 예) POS 10 L
현품에는 홀더부에 "L"이 마킹되어 있다.