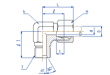
| Designations | Tube O.D | (PF) T | d | d1 | Width across flat | t | ℓ1 | ℓ | Approx. | |
| D | h | H | L | |||||||
|---|---|---|---|---|---|---|---|---|---|---|
| BHLF08-02G | 8 | 1/4 | 6 | 6 | 17 | 17 | 7.0 | 25 | 23 | 33.5 |
| BHLF08-03G | 8 | 3/8 | 6 | 9 | 19 | 17 | 7.0 | 27 | 24 | 34.5 |
| BHLF10-02G | 10 | 1/4 | 8 | 6 | 19 | 19 | 7.0 | 26 | 24 | 35.5 |
| BHLF10-03G | 10 | 3/8 | 8 | 9 | 19 | 19 | 7.0 | 27 | 24 | 35.5 |
| BHLF10-04G | 10 | 1/2 | 8 | 12 | 24 | 19 | 7.0 | 33 | 29 | 40.5 |
| BHLF12-02G | 12 | 1/4 | 10 | 6 | 19 | 22 | 7.0 | 26 | 24 | 35.5 |
| BHLF12-03G | 12 | 3/8 | 10 | 9 | 19 | 22 | 7.0 | 27 | 24 | 35.5 |
| BHLF12-04G | 12 | 1/2 | 10 | 12 | 24 | 22 | 7.0 | 33 | 29 | 40.5 |
| BHLF15-03G | 15 | 3/8 | 12 | 9 | 24 | 27 | 7.5 | 30 | 29 | 41.5 |
| BHLF15-04G | 15 | 1/2 | 12 | 12 | 24 | 27 | 7.5 | 33 | 29 | 41.5 |
| BHLF16-03G | 16 | 3/8 | 13 | 9 | 27 | 30 | 7.5 | 33 | 32 | 44.5 |
| BHLF16-04G | 16 | 1/2 | 13 | 12 | 27 | 30 | 7.5 | 36 | 32 | 44.5 |
| BHLF18-04G | 18 | 1/2 | 14 | 12 | 27 | 32 | 8.0 | 36 | 32 | 44.5 |
| BHLF20-06G | 20 | 3/4 | 17 | 16 | 30 | 36 | 8.0 | 38 | 33 | 45.5 |
| BHLF22-04G | 22 | 1/2 | 18 | 12 | 32 | 36 | 9.0 | 38 | 34 | 46.5 |
| BHLF22-06G | 22 | 3/4 | 18 | 16 | 32 | 36 | 9.0 | 39 | 34 | 46.5 |
| BHLF25-06G | 25 | 3/4 | 20 | 16 | 36 | 41 | 10.0 | 41 | 36 | 49.5 |
| BHLF25-08G | 25 | 1 | 20 | 20 | 36 | 41 | 10.0 | 43 | 36 | 49.5 |
| BHLF28-06G | 28 | 3/4 | 22 | 16 | 41 | 46 | 10.0 | 44 | 41 | 55.0 |
| BHLF28-08G | 28 | 1 | 22 | 22 | 41 | 46 | 10.0 | 46 | 41 | 55.0 |
| BHLF30-06G | 30 | 3/4 | 25 | 16 | 41 | 46 | 10.0 | 44 | 41 | 55.5 |
| BHLF30-08G | 30 | 1 | 25 | 22 | 41 | 46 | 10.0 | 46 | 41 | 55.5 |
| BHLF32-08G | 32 | 1 | 26 | 22 | 46 | 50 | 11.0 | 51 | 46 | 60.5 |
| BHLF32-10G | 32 | 1 1/4 | 26 | 28 | 46 | 50 | 11.0 | 57 | 46 | 60.5 |
| BHLF38-12G | 38 | 1 1/2 | 32 | 34 | 50 | 60 | 12.0 | 61 | 50 | 69.5 |
| BHLF40-12G | 40 | 1 1/2 | 32 | 34 | 55 | 60 | 12.0 | 62 | 55 | 74.5 |
| BHLF50-16G | 50 | 2 | 40 | 46 | 65 | 75 | 12.0 | 72 | 62 | 83.5 |