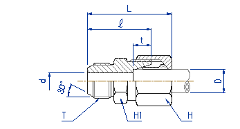
Hose Male Union (BHUM)

DesignationsTube O.D(PF)
T
dWidth across flattℓ/t < Approx.
DH1HL
BHUM08-02G81/4617177.0 3545.5
BHUM08-03G83/8619177.0 3747.5
BHUM10-02G101/4617197.0 3546.5
BHUM10-03G103/8819197.0 3748.5
BHUM10-04G101/2822197.0 4051.5
BHUM12-02G121/4619227.0 3546.5
BHUM12-03G123/8919227.0 3748.5
BHUM12-04G121/21022227.0 4051.5
BHUM15-03G153/8924277.5 4052.5
BHUM15-04G151/21224277.5 4254.5
BHUM16-03G163/8927307.5 4052.5
BHUM16-04G161/21227307.5 4254.5
BHUM18-04G181/21227328.0 4254.5
BHUM20-06G203/41630368.0 4658.5
BHUM22-04G221/21232369.0 4456.5
BHUM22-06G223/41632369.0 4658.5
BHUM25-06G253/416364110.0 4760.5
BHUM25-08G25120364110.0 4962.5
BHUM28-06G283/416414610.0 4963.0
BHUM28-08G28122414610.0 5165.0
BHUM30-06G303/416414610.0 4963.5
BHUM30-08G30122414610.0 5165.5
BHUM32-08G32122465011.0 5266.5
BHUM32-10G321 1/428465011.0 5670.5