Maker :
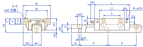
| 호칭 형번 | 외형치수 | LM 블록 치수 | |||||||||||||
|---|---|---|---|---|---|---|---|---|---|---|---|---|---|---|---|
| 높이 M | 폭 W | 길이 L | B | C | S | H | L1 | t | T | T1 | K | N | E | 그리스 니플 | |
| SNR35CH | 48 | 100 | 110.3 | 82 | 62 | M10 | 8.5 | 79 | 20 | 18.8 | 16 | 39.0 | 12 | 12 | B-M6F |
| SNR35LCH | 48 | 100 | 135.8 | 82 | 62 | M10 | 8.5 | 104.5 | 20 | 18.8 | 16 | 39.0 | 12 | 12 | B-M6F |
| SNR45CH | 60 | 120 | 139 | 100 | 80 | M12 | 10.5 | 105 | 22 | 20.5 | 20 | 48.4 | 18 | 16 | B-PT1/8 |
| SNR45LCH | 60 | 120 | 171.8 | 100 | 80 | M12 | 10.5 | 137.8 | 22 | 20.5 | 20 | 48.4 | 18 | 16 | B-PT1/8 |
| SNR55CH | 70 | 140 | 163.3 | 116 | 95 | M14 | 12.5 | 123.6 | 24 | 22.5 | 22 | 56.0 | 18 | 16 | B-PT1/8 |
| SNR55LCH | 70 | 140 | 200.5 | 116 | 95 | M14 | 12.5 | 160.8 | 24 | 22.5 | 22 | 56.0 | 18 | 16 | B-PT1/8 |
Note. ☞ 윤활
장치 및 방진용 옵션 사용에 따라 길이(L) 이 변경됨으로 주의할 것. (특히 QZ TYPE)
| 호칭 형번 | 측면 니플용 아래 구멍 | h2 | LM 레일 치수 | ||||||||
| 폭 W1 | W2 | 높이 M1 | 피치 | d1xd2xh | 길이 Max | ||||||
| eo | fo | Do | 0 -0.05 | F | G | ||||||
| SNR35CH | 6 | 12 | 5.2 | 9 | 34 | 33 | 24.5 | 80 | 20 | 9x14x12 | 3000 |
| SNR35LCH | 6 | 12 | 5.2 | 9 | 34 | 33 | 24.5 | 80 | 20 | 9x14x12 | 3000 |
| SNR45CH | 8.5 | 16 | 5.2 | 11.5 | 45 | 37.5 | 29 | 105 | 22.5 | 14x20x17 | 3090 |
| SNR45LCH | 8.5 | 16 | 5.2 | 11.5 | 45 | 37.5 | 29 | 105 | 22.5 | 14x20x17 | 3090 |
| SNR55CH | 10 | 16 | 5.2 | 14 | 53 | 43.5 | 36.5 | 120 | 30 | 16x23x20 | 3060 |
| SNR55LCH | 10 | 16 | 5.2 | 14 | 53 | 43.5 | 36.5 | 120 | 30 | 16x23x20 | 3060 |
| 호칭 형번 | 기본 정격 하중 | 정적 허용 모멘트 kN-m | 질량 | ||||||
| C kN | Co kN | ![]() | ![]() |
LM 블록 kg | LM 레일 kg/m | ||||
| 1개 | 2개 밀착 | 1개 | 2개 밀착 | 1개 | |||||
| SNR35CH | 90 | 144 | 1.61 | 8.64 | 1.01 | 5.39 | 2.13 | 1.7 | 6.2 |
| SNR35LCH | 108 | 188 | 2.68 | 13.6 | 1.67 | 8.49 | 2.79 | 2.2 | 6.2 |
| SNR45CH | 132 | 216 | 3.29 | 16 | 2.03 | 9.86 | 4.21 | 3.0 | 9.8 |
| SNR45LCH | 161 | 288 | 5.4 | 26.2 | 3.35 | 16.2 | 5.64 | 4.2 | 9.8 |
| SNR55CH | 177 | 292 | 4.99 | 25.7 | 3.11 | 16 | 6.69 | 4.4 | 14.5 |
| SNR55LCH | 214 | 383 | 8.41 | 40.9 | 5.22 | 25.3 | 8.78 | 6.5 | 14.5 |