Maker :
1.사양표기법 (Order example)
| 사양 | HSR35CB | 2 | QZSS | C0 | M | + | 1200L | P | T | M | - | II | (K) |
|---|---|---|---|---|---|---|---|---|---|---|---|---|---|
| 설명 | ① | ② | ③ | ④ | ⑤ | ⑥ | ⑦ | ⑧ | ⑨ | ⑩ | ⑪ |
① 호칭 형번
형번 끝에 M (스테인리스 타입) 는 기록하지 말 것.
② 1축에 조합되는 LM 블록의 개수
③ 윤활 장치 및 방진용 옵션기호
| 기호 | 설명 | 사용구분 |
|---|---|---|
| UU | 엔드실 | 사용금지 |
| SS | 엔드씰 + 사이드씰 + 이너씰 | Lub 사용시 추천 |
| ZZ | 엔드씰 + 사이드씰 + 이너씰 + 금속 스크레이퍼 | 사용금지 |
| QZSS | 엔드씰 + 사이드씰 + 이너씰 + QZ | 사용금지 |
| QZZZ | 엔드씰 + 사이드씰 + 이너씰 + 금속 스크레이퍼 + QZ | Grease 사용시 추천 |
| 기호 | 설명 |
|---|---|
| 무기호 | 보통 |
| C1 | 경예압 |
| C0 | 중예압 |
| 기호 | 설명 |
|---|---|
| 무기호 | 표준 재질 |
| M | 스테인리스 타입 |
| 기호 | 설명 |
|---|---|
| 무기호 | 보통급 |
| H | 상급 |
| P | 정밀급 |
| SP | 초정밀급 |
| UP | 초초정밀급 |
| 기호 | 설명 |
|---|---|
| 무기호 | 일체형 |
| T | 연결부 있음 |
| 기호 | 설명 |
|---|---|
| 무기호 | 표준재질 |
| M | 스테인리스 타입 |
| 기호 | 설명 |
|---|---|
| I | 1 축 |
| II | 2 축 |
| III | 3 축 |
Note.
이 호칭번호에서 1 Set 는 1 축 조합을 의미한다.
따라서 2 축 평행사용의 경우 필요한 수량은 2 Set 가 된다.
☞ 상세 내용 사용 조건의 설정 참고
⑪ 기타 옵션("필히 확인할 것")
☞ 상세 내용 기타 조건의 설정 참고
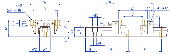
| 호칭 형번 | 외형치수 | LM 블록 치수 | |||||||||||||
|---|---|---|---|---|---|---|---|---|---|---|---|---|---|---|---|
| 높이 M | 폭 W | 길이 L | B | C | S | H | L1 | t | T | T1 | K | N | E | 그리스 니플 | |
| SNS35CH | 48 | 100 | 110.3 | 82 | 62 | M10 | 8.5 | 79 | 20 | 18.8 | 16 | 39 | 12 | 12 | B-M6F |
| SNS35LCH | 48 | 100 | 135.8 | 82 | 62 | M10 | 8.5 | 104.5 | 20 | 18.8 | 16 | 39 | 12 | 12 | B-M6F |
| SNS45CH | 60 | 120 | 139 | 100 | 80 | M12 | 10.5 | 105 | 22 | 20.5 | 20 | 48.4 | 18 | 16 | B-PT1/8 |
| SNS45LCH | 60 | 120 | 171.8 | 100 | 80 | M12 | 10.5 | 137.8 | 22 | 20.5 | 20 | 48.4 | 18 | 16 | B-PT1/8 |
| SNS55CH | 70 | 140 | 163.3 | 116 | 95 | M14 | 12.5 | 123.6 | 24 | 22.5 | 22 | 56 | 18 | 16 | B-PT1/8 |
| SNS55LCH | 70 | 140 | 200.5 | 116 | 95 | M14 | 12.5 | 160.8 | 24 | 22.5 | 22 | 56 | 18 | 16 | B-PT1/8 |
Note. ☞ 윤활
장치 및 방진용 옵션 사용에 따라 길이(L) 이 변경됨으로 주의할 것. (특히 QZ TYPE)
| 호칭 형번 | 측면 니플용 아래 구멍 | h2 | LM 레일 치수 | ||||||||
| 폭 W1 | W2 | 높이 M1 | 피치 | d1xd2xh | 길이 Max | ||||||
| eo | fo | Do | 0 -0.05 | F | G | ||||||
| SNS35CH | 6 | 12 | 5.2 | 9 | 34 | 33 | 24.5 | 80 | 20 | 9x14x12 | 3000 |
| SNS35LCH | 6 | 12 | 5.2 | 9 | 34 | 33 | 24.5 | 80 | 20 | 9x14x12 | 3000 |
| SNS45CH | 8.5 | 16 | 5.2 | 11.5 | 45 | 37.5 | 29 | 105 | 22.5 | 14x20x17 | 3090 |
| SNS45LCH | 8.5 | 16 | 5.2 | 11.5 | 45 | 37.5 | 29 | 105 | 22.5 | 14x20x17 | 3090 |
| SNS55CH | 10 | 17 | 5.2 | 14 | 53 | 43.5 | 36.5 | 120 | 30 | 16x23x20 | 3060 |
| SNS55LCH | 10 | 17 | 5.2 | 14 | 53 | 43.5 | 36.5 | 120 | 30 | 16x23x20 | 3060 |
>
| ||||||||||||||||||||||||||||||||||||||||||||||||||||||||||||||||||||||||||||||||||